Formula Deluxe 600/700, 2000
01- Cooling System
01- Crankcase, Water Pump And Oil Pump
01- Crankcase, Water Pump And Oil Pump 2
01- Crankshaft And Pistons
01- Crankshaft And Pistons 2
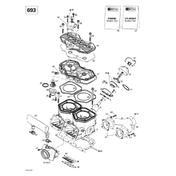
01- Cylinder, Exhaust Manifold, Reed Valve
01- Cylinder, Exhaust Manifold, Reed Valve 2
01- Engine Support And Muffler
02- Air Intake System
02- Carburetors
02- Fuel System
02- Oil Tank
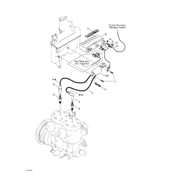
03- Ignition
03- Magneto (12V, 290W)
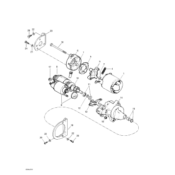
04- Electric Starter
04- Rewind Starter
05- Drive Axle And Track
05- Drive Pulley
05- Driven Pulley
05- Transmission
06- Hydraulic Brake And Belt Guard
07- Front Suspension And Ski
07- Steering System
08- Front Arm
08- Rear Arm
08- Rear Suspension
09- Bottom Pan
09- Cab, Console
09- Decals
09- Frame And Accessories
09- Seat And Accessories
10- Battery And Starter
10- Electrical System
Fuel Your Passion
Parts That Keep You Riding
Edit ride