450 SMR 2008
Special tools (engine)
FRONT FORK, TRIPLE CLAMP
WP SHIMS FOR SETTING
REAR BRAKE CALIPER
REAR BRAKE CONTROL
FRONT FORK DISASSEMBLED
HANDLEBAR, CONTROLS
FRAME
SHOCK ABSORBER
SHOCK ABSORBER DISASSEMBLED
SWING ARM
EXHAUST SYSTEM
AIR FILTER
TANK, SEAT
MASK, FENDERS
DECAL
FRONT WHEEL
REAR WHEEL
WIRING HARNESS
FRONT BRAKE CONTROL
FRONT BRAKE CALIPER
ACCESSORY PACK
ENGINE CASE
CLUTCH COVER
CYLINDER
CARBURETOR
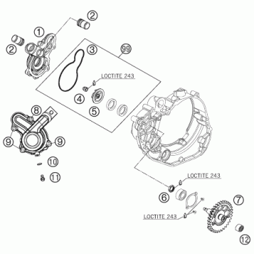
WATER PUMP
COOLING SYSTEM
VALVE DRIVE
CYLINDER HEAD
IGNITION SYSTEM
CRANKSHAFT, PISTON
CLUTCH
TRANSMISSION I - MAIN SHAFT
TRANSMISSION II - COUNTERSHAFT
SHIFTING MECHANISM
TIMING DRIVE
LUBRICATING SYSTEM
ELECTRIC STARTER
Fuel Your Passion
Parts That Keep You Riding
Edit ride