XPLORER 300 - W98CC28C
A-ARM/STRUT MOUNTING XPLORER 300 W98CC28C (4945264526B013)
AIR BOX XPLORER 300 W98CC28C (4945264526B002)
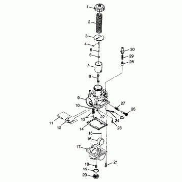
CARBURETOR XPLORER 300 W98CC28C (4945264526D006)
CENTER TIGHTENER XPLORER 300 W98CC28C (4945264526C002)
CLUTCH COVER XPLORER 300 W98CC28C (4945264526C005)
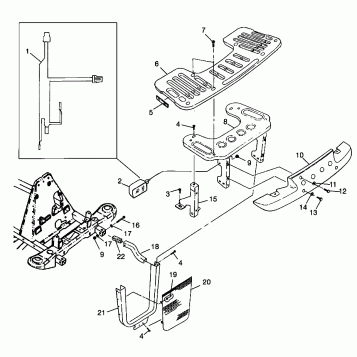
CONTROLS - THROTTLE ASM./CABLE XPLORER 300 W98CC28C (4945264526B009)
CONTROLS-MASTER CYLINDER/BRAKE LINE XPLORER 300 W98CC28C (4945264526B010)
COOLING SYSTEM XPLORER 300 W98CC28C (4945264526A012)
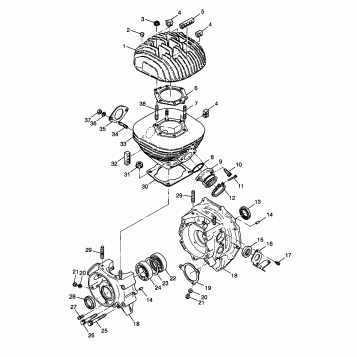
CRANKCASE and CYLINDER XPLORER 300 W98CC28C (4945264526C013)
CRANKSHAFT and PISTON XPLORER 300 W98CC28C (4945264526D001)
CV JOINT - BTB XPLORER 300 W98CC28C (4945264526B005)
DECALS XPLORER 300 W98CC28C (4945264526A009)
DRIVE CLUTCH XPLORER 300 W98CC28C (4945264526C003)
DRIVEN CLUTCH XPLORER 300 W98CC28C (4945264526C004)
ELECTRICAL/TAILLIGHT XPLORER 300 W98CC28C (4945264526C009)
ENGINE MOUNTING XPLORER 300 W98CC28C (4945264526A011)
EXHAUST SYSTEM XPLORER 300 W98CC28C (4945264526A013)
FRONT BRAKE XPLORER 300 W98CC28C (4945264526B008)
FRONT CAB XPLORER 300 W98CC28C (4945264526A007)
FRONT DRIVE XPLORER 300 W98CC28C (4945264526B003)
FRONT RACK and BUMPER MOUNTING XPLORER 300 W98CC28C (4945264526A010)
FRONT STRUT XPLORER 300 W98CC28C (4945264526B006)
FRONT TIGHTENER XPLORER 300 W98CC28C (4945264526B004)
FRONT WHEEL XPLORER 300 W98CC28C (4945264526B007)
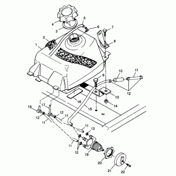
FUEL TANK XPLORER 300 W98CC28C (4945264526A014)
GEAR SELECTOR XPLORER 300 W98CC28C (4945264526C010)
GEARCASE XPLORER 300 W98CC28C (4945264526C011)
GEARCASE/BRAKE and CHAIN COVER MOUNTING XPLORER 300 W98CC28C (4945264526C006)
HANDLEBAR XPLORER 300 W98CC28C (4945264526B011)
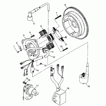
MAGNETO XPLORER 300 W98CC28C (4945264526D002)
OIL PUMP XPLORER 300 W98CC28C (4945264526D005)
OIL TANK XPLORER 300 W98CC28C (4945264526B001)
REAR BRAKE XPLORER 300 W98CC28C (4945264526C007)
REAR CAB and SEAT XPLORER 300 W98CC28C (4945264526A005)
REAR RACK MOUNTING XPLORER 300 W98CC28C (4945264526A008)
REAR WHEEL DRIVE XPLORER 300 W98CC28C (4945264526C008)
RECOIL STARTER XPLORER 300 W98CC28C (4945264526D004)
STARTING MOTOR XPLORER 300 W98CC28C (4945264526D003)
STEERING POST XPLORER 300 W98CC28C (4945264526B012)
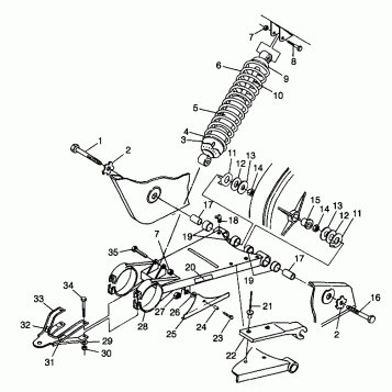
SWING ARM/SHOCK MOUNTING XPLORER 300 W98CC28C (4945264526B014)
TOOL KIT XPLORER 300 W98CC28C (4945264526C001)
Fuel Your Passion
Parts That Keep You Riding
Edit ride