- Partiron
- OEM Parts
- Polaris
- ATV
- 1998
- XPLORER 300 - W98CC28C
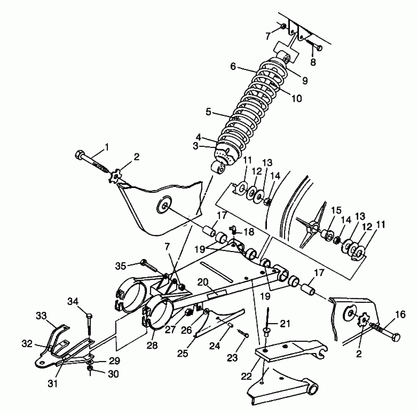
SWING ARM/SHOCK MOUNTING XPLORER 300 W98CC28C (4945264526B014)
Polaris XPLORER 300 - W98CC28C SWING ARM/SHOCK MOUNTING XPLORER 300 W98CC28C (4945264526B014) Diagram
#
Description
Price
4
ADAPTER,SPRING,SEAT
5630351
Unavailable
9
RETAINER, SHOCK
5222118
Unavailable
12
BUSHING Substituted by 5433414
5431977
Unavailable
12
BUSHING Substituted by 5433414
5431977
Unavailable
14
NUT, LOCK(10)
7542602
Unavailable
14
NUT, LOCK(10)
7542602
Unavailable
15
Bushing, Pivot (See Pg. A40, Ref. 4)
-------
Unavailable
16
BOLT, SHOULDER
7512702
Unavailable
19
BUSHING,SWING ARM Substituted by 5433417
5431972
Unavailable
19
BUSHING,SWING ARM Substituted by 5433417
5431972
Unavailable
20
DECAL,LUBRICATION
7074214
Unavailable
28
ARM ASM,SWING (Incl. 18, 19)
1580090
Unavailable
31
DECAL,CHAIN FREE PLAY
7074752
Unavailable
32
DECAL, HITCH Substituted by 7078261
7072533
Unavailable
33
KIT, ATV HITCH Substituted by 2873036 (Incl. 29-34)
2200472
Unavailable
