- Partiron
- OEM Parts
- Polaris
- ATV
- 1998
- XPLORER 300 - W98CC28C
ENGINE MOUNTING XPLORER 300 W98CC28C (4945264526A011)
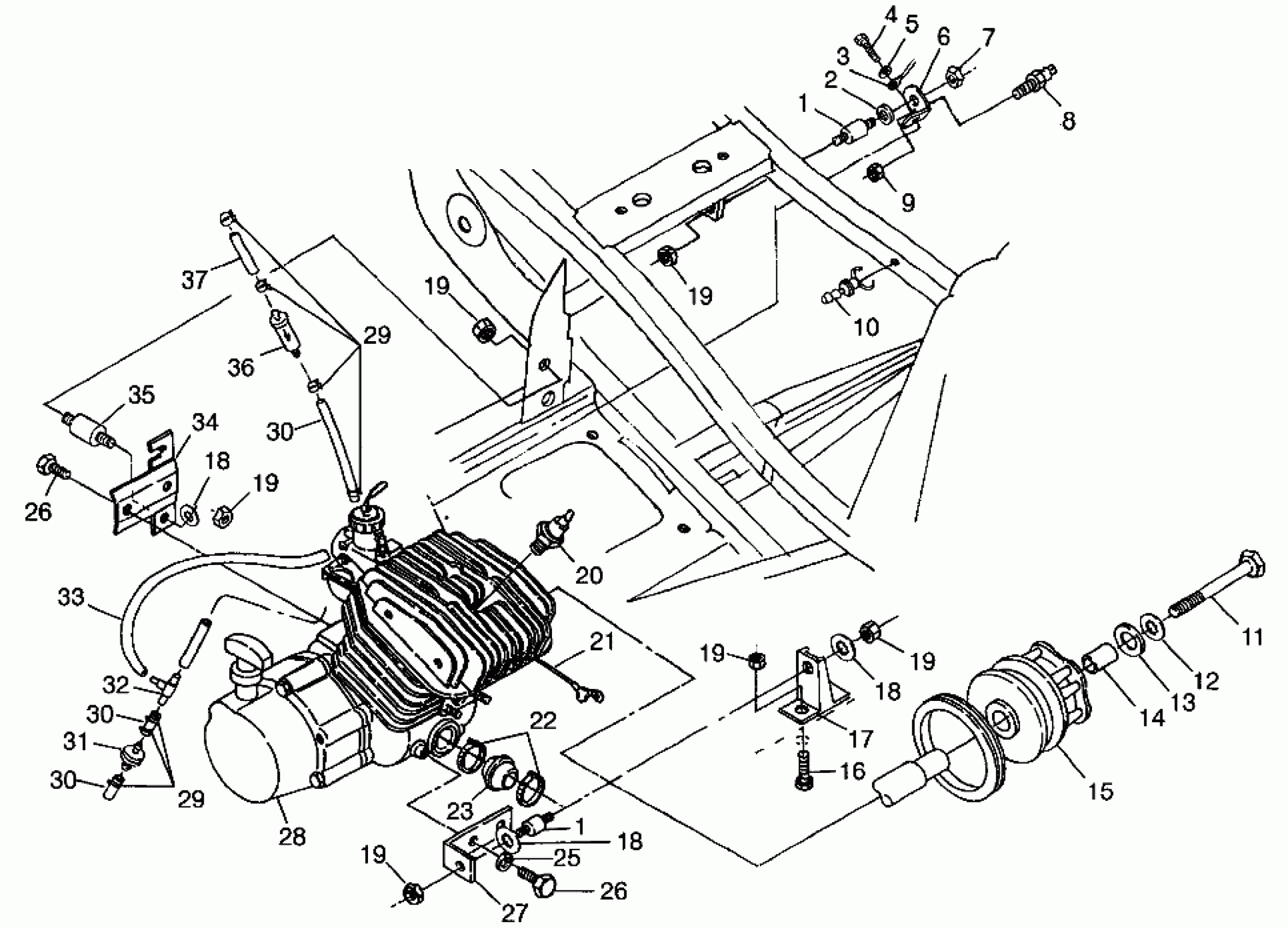
Polaris XPLORER 300 - W98CC28C ENGINE MOUNTING XPLORER 300 W98CC28C (4945264526A011) Diagram
#
Description
Price
1
MOUNT,MOTOR
3110026
Unavailable
1
MOUNT,MOTOR
3110026
Unavailable
3
CABLE,GND-ENGINE
4010132
Unavailable
6
MOUNT,ENG,TOP
5241799-067
Unavailable
8
THERMOSTAT,COOL.FAN Substituted by 4010211
4110114
Unavailable
10
FITTING,VENT,1/8"
7052192
Unavailable
15
Asm., Drive Clutch, ATV-06 (See Pg. NO TAG, Ref. NO TAG)
-------
Unavailable
17
MOUNT,ENG,LOW,BLK
1040532-067
Unavailable
21
Cable, Solenoid Starter (See Pg. NO TAG, Ref. NO TAG)
-------
Unavailable
27
MT,FR.ENGINE,300,BLK.
5242229-067
Unavailable
28
ENG.(S.B.)EC28PF-SB Substituted by 1211654 NOTE: The Short Block assembly contains a crankcase assembly, cylinder & cylinder head assembly and a piston & crankshaft assembly. Prior authorization requi
3084720
Unavailable
30
FUEL LINE,1/4 ID(600 CM.)
8450040-600
Unavailable
30
FUEL LINE,1/4 ID(600 CM.)
8450040-600
Unavailable
30
FUEL LINE,1/4 ID(600 CM.)
8450040-600
Unavailable
31
CHECKVALVE,VENT Substituted by 7051011
7052047
Unavailable
32
Fitting, Tee
7052005
Unavailable
33
FUEL LINE,1/8 ID,600 CM.
8360009-600
Unavailable
34
MT,REAR,(300),BLK.
5241176-067
Unavailable
35
MOUNT, MOTOR
3110028
Unavailable
37
FUEL LINE,1/4 ID(1525 CM.)
8450003-1525
Unavailable
