- Partiron
- OEM Parts
- Polaris
- ATV
- 1998
- XPLORER 300 - W98CC28C
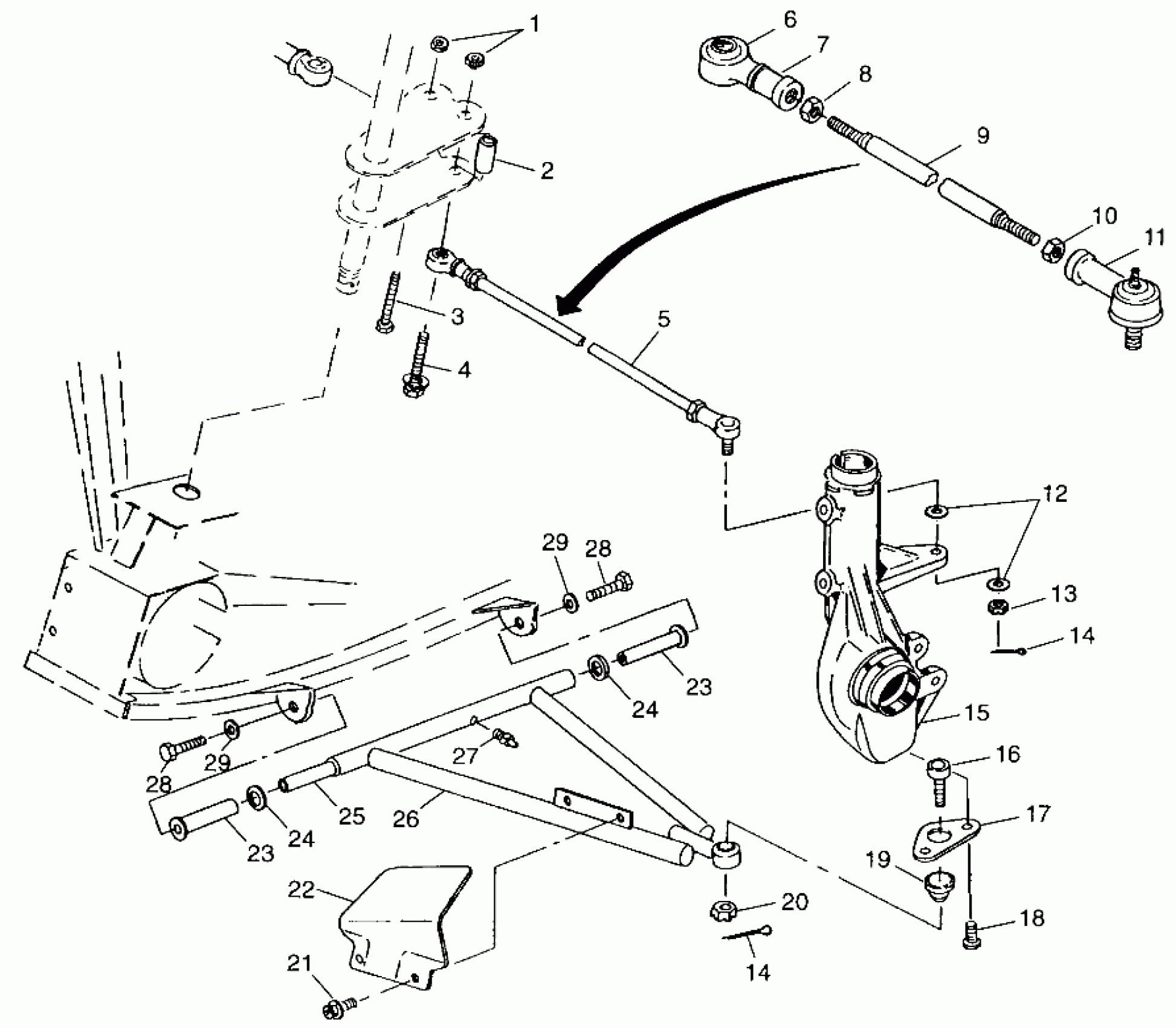
A-ARM/STRUT MOUNTING XPLORER 300 W98CC28C (4945264526B013)
Polaris XPLORER 300 - W98CC28C A-ARM/STRUT MOUNTING XPLORER 300 W98CC28C (4945264526B013) Diagram
#
Description
Price
4
SCREW(10)
7515554
Unavailable
6
SEAL,BOOT,ROD END,1/2 IN
5411291
Unavailable
7
ROD END Substituted by 7061034
7061019
Unavailable
11
ROD END,LH,W/FTG. Substituted by 7061033
7061018
Unavailable
15
Asm., Hubstrut, Service (See Pg. A21, Ref. 23)
-------
Unavailable
19
Boot, Rubber
5410548
Unavailable
22
SHIELD,LH CV JOINT Substituted by 5431150-070
5431150
Unavailable
23
BUSHING,A-ARM,LONG. Substituted by 5433066
5431596
Unavailable
23
BUSHING,A-ARM,LONG. Substituted by 5433066
5431596
Unavailable
25
Shaft, A-Arm
5020681
Unavailable
28
BOLT(10) Substituted by 7512492
7515458
Unavailable
28
BOLT(10) Substituted by 7512492
7515458
Unavailable
