- Partiron
- OEM Parts
- Polaris
- ATV
- 1998
- XPLORER 300 - W98CC28C
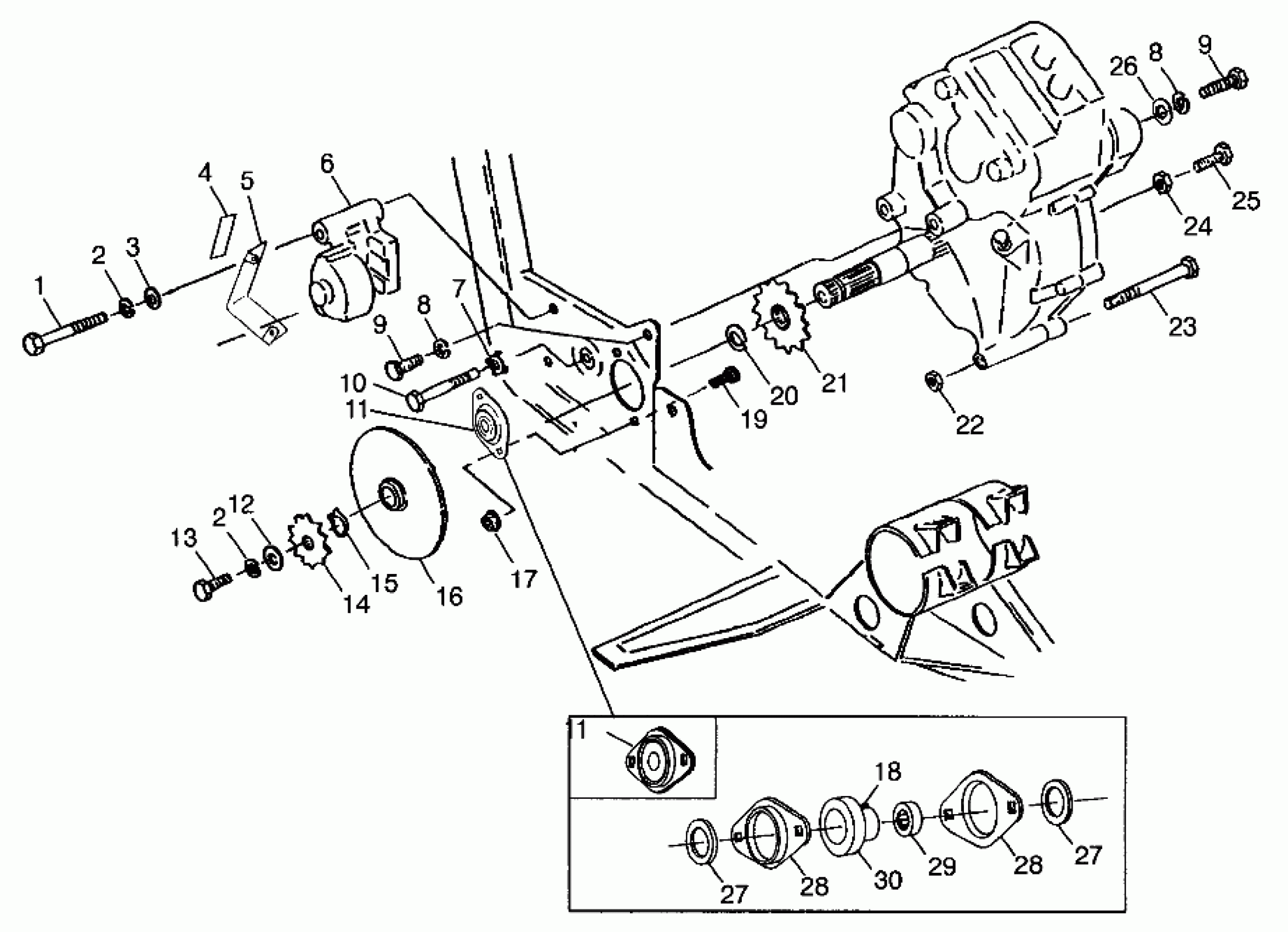
GEARCASE/BRAKE and CHAIN COVER MOUNTING XPLORER 300 W98CC28C (4945264526C006)
Polaris XPLORER 300 - W98CC28C GEARCASE/BRAKE and CHAIN COVER MOUNTING XPLORER 300 W98CC28C (4945264526C006) Diagram
#
Description
Price
4
DECAL,BRAKE SHIELD
7075339
Unavailable
5
SHIELD,R.CALIPER,BLK.
5241018-067
Unavailable
6
CALIPER ASM,R.BRAKE
1910226
Unavailable
7
Plate, Bolt Lock (See Pg. A29, Ref. 2)
-------
Unavailable
10
Bolt, Shoulder (See Pg. A29, Ref. 16)
-------
Unavailable
11
SHAFT ASM,O/P,NDL BRG. Substituted by 2201115
1590265
Unavailable
11
SHAFT ASM,O/P,NDL BRG. Substituted by 2201115
1590265
Unavailable
16
DISC ASM,BRAKE
1910177
Unavailable
19
BOLT,CARRIAGE(10)
7515484
Unavailable
26
WASHER Substituted by 7555720
7555784
Unavailable
28
FLANGETTE,O/P SHAFT BRNG.
5242072
Unavailable
28
FLANGETTE,O/P SHAFT BRNG.
5242072
Unavailable
29
BEARING,NEEDLE
3554202
Unavailable
30
HSG,BRNG,O/P SHAFT
5131643
Unavailable
