Traxter XL, 2004
01- Clutch Housing And Cover
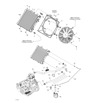
01- Cooling System
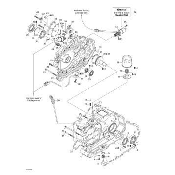
01- Crankcase
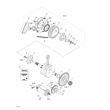
01- Crankshaft, Pistons And Cylinder
01- Engine And Engine Support
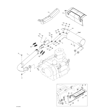
01- Exhaust System
02- Air Intake Silencer
02- Carburetor
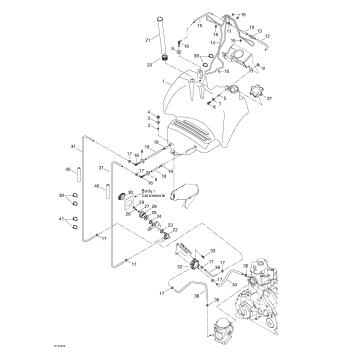
02- Fuel Tank
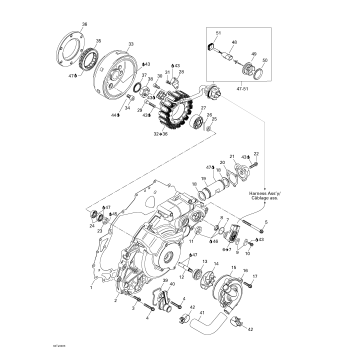
03- Ignition And Water Pump
04- Rewind Starter, Electric Starter
05- Clutch
05- Drive System, Front (for 7919 And 8135 Models)
05- Drive System, Front (for 7920 And 7921 Models)
05- Drive System, Rear (for 7919 And 8135 Models)
05- Drive System, Rear (for 7920 And 7921 Models)
05- Gear Shift
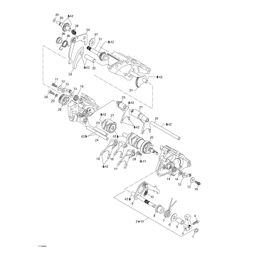
05- Transmission
06- Hydraulic Brake
07- Front Suspension
07- Steering System
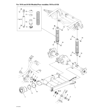
08- Rear Suspension (for 7919 And 8135 Models)
08- Rear Suspension (for 7920 And 7921 Models)
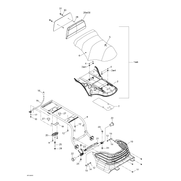
09- Body And Accessories
09- Frame And Body
09- Frame And Luggage Racks
09- Front Tray
09- Rear Cargo Box
09- Seat
10- Battery And Electrical Accessories
10- Electrical Accessories
10- Main Harness
Fuel Your Passion
Parts That Keep You Riding
Edit ride