- Partiron
- OEM Parts
- Can-Am
- ATV
- 2004
- Traxter
- Traxter XL, 2004
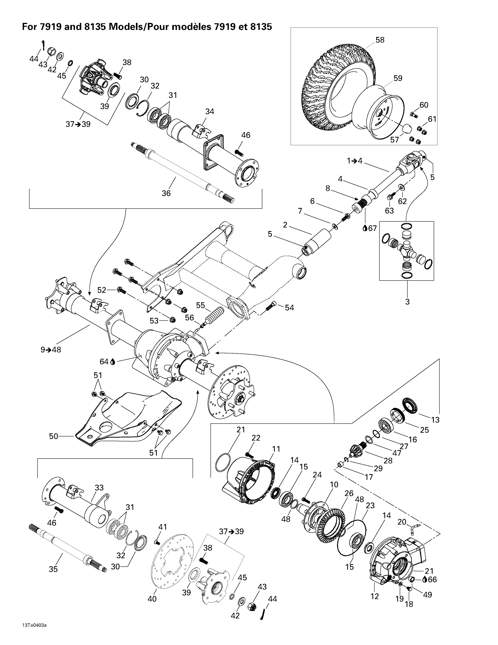
Drive System, Rear (for 7919 And 8135 Models)
Can-Am Traxter XL, 2004 Drive System, Rear (for 7919 And 8135 Models) Diagram
#
1
Rear Propeller Shaft Ass'y | Includes 1 - 7.
705500201
Unavailable
2
Not Available As Spare Part - Friction Washer
Unavailable
4
Sealing Ring
705500097
Unavailable
8
Not Available As Spare Part - Friction Washer
Unavailable
9
Rigid Axle Ass'y | Includes 9 - 48.
705500157
Unavailable
10
Propulsion Spool
705500159
Unavailable
11
Differential Cap
705500013
Unavailable
12
Differential Carrier
705500014
Unavailable
16
Ball Bearing
705500074
Unavailable
17
Needle Bearing
705500077
Unavailable
18
Drain Plug
705500298
Unavailable
19
SEAL RING - Call your local BRP dealership
705500299
Unavailable
20
Vent Valve
705500124
Unavailable
21
O RING - Call your local BRP dealership
705500078
Unavailable
22
SCREW - Call your local BRP dealership
705500088
Unavailable
23
Seal
705500091
Unavailable
24
RING GEAR SCREW - Call your local BRP dealership
705500090
Unavailable
26
Crown Gear
705400103
Unavailable
27
O-Ring
705500073
Unavailable
28
GEAR (10 TEETH) - Call your local BRP dealership
705500076
Unavailable
29
Retaining Ring
705500102
Unavailable
30
OIL SEAL - Call your local BRP dealership
705500099
Unavailable
31
BALL BEARING - Call your local BRP dealership
705500251
Unavailable
32
Retaining Ring
705500085
Unavailable
33
RH Axle Tube
705500180
Unavailable
34
LH Axle Tube
705500209
Unavailable
35
RH Axle Ass'y
705500049
Unavailable
36
LH Axle Ass'y
705500050
Unavailable
37
Rear Wheel Hub Ass'y | Includes 58 - 9.
705500006
Unavailable
39
WEAR RING - Call your local BRP dealership
705500100
Unavailable
40
Brake Disk 220 mm (Rear)
705600170
Unavailable
42
WASHER - Call your local BRP dealership
250200019
Unavailable
45
O-Ring
293300052
Unavailable
46
Torx Screw M10 X 30
250000085
Unavailable
49
Filler/Level Plug | 7413/7414. 7415/7416. 7417/7418.
705500143
Unavailable
50
Rear Differential Protector
705000019
Unavailable
54
Socket Head Screw M10 x 25 (Scotch Grip)
205502544
Unavailable
57
WHEEL CAP - Call your local BRP dealership
705400012
Unavailable
58
Rear Tire
705500230
Unavailable
59
Rear Rim, Grey
705500239
Unavailable
61
HEX. NUT - Call your local BRP dealership
705400013
Unavailable
