TRAIL BOSS 330 QUADRICYCLE - A05CA32EA
A-ARM and STRUT MOUNTING - A05CA32EA (4999200489920048B11)
AIRBOX - A05CA32EA (4999200489920048A12)
BRAKE, FRONT - A05CA32EA (4999200489920048B04)
BUMPER MOUNTING, FRONT and HEADLIGHT and TURN SIGNALS, FRONT - A05CA32EA (4999200489920048A08)
CAB, FRONT - A05CA32EA (4999200489920048A03)
CAB, REAR and SEAT - A05CA32EA (4999200489920048A04)
CALIPER MOUNTING, REAR - A05CA32EA (4999200489920048B05)
CARBURETOR - A05CA32EA (4994839483C10)
CLUTCH COVER - A05CA32EA (4999200489920048C03)
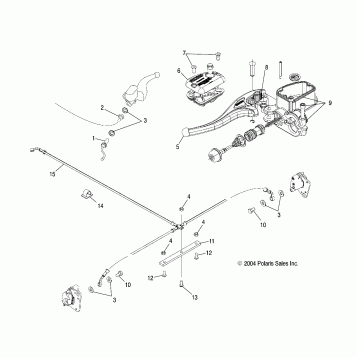
CONTROLS/MASTER CYLINDER, LH and BRAKE LINE - A05CA32EA (4999200489920048B09)
CRANKCASE - A05CA32EA (4999201699920169C12)
CRANKSHAFT and PISTON - A05CA32EA (4999201699920169D02)
CYLINDER - A05CA32EA (4999201699920169D01)
DECALS - A05CA32EA (4999200489920048A05)
DRIVE CLUTCH - A05CA32EA (4994139413C07)
DRIVEN CLUTCH - A05CA32EA (4999200059920005C06)
ELECTRICAL - A05CA32EA (4999200489920048C06)
ENGINE MOUNTING - A05CA32EA (4999200489920048A09)
EXHAUST SYSTEM - A05CA32EA (4999200489920048A13)
FUEL PUMP - A05CA32EA (4999200099920009D11)
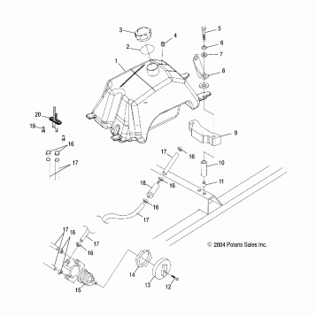
FUEL SYSTEM - A05CA32EA (4999200489920048B01)
GEAR SELECTOR - A05CA32EA (4999200489920048C10)
GEARCASE - A05CA32EA (4994739473C03)
GEARCASE MOUNTING - A05CA32EA (4994839483C02)
HANDLEBAR - A05CA32EA (4999200489920048B12)
HOUSING, REAR - A05CA32EA (4999201549920154C03)
INTAKE and EXHAUST - A05CA32EA (4999201699920169D03)
MAGNETO - A05CA32EA (4999202939920293C13)
MASTER CYLINDER, REAR and FOOT PEDAL - A05CA32EA (4999200489920048B06)
MIRROR and HORN - A05CA32EA (4999200489920048B13)
OIL COOLING - A05CA32EA (4999200489920048A11)
OIL PUMP and OIL FILTER - A05CA32EA (4999201699920169D05)
PARK BRAKE - A05CA32EA (4999200489920048B07)
RACK, REAR and TAILLIGHTS - A05CA32EA (4999200489920048A06)
RECOIL STARTER - A05CA32EA (4999201549920154D04)
STARTING MOTOR - A05CA32EA (4994839483D01)
STEERING POST - A05CA32EA (4999200489920048B10)
STORAGE BOX, FRONT - A05CA32EA (4999201699920169A09)
STRUT - A05CA32EA (4994839483A13)
SWING ARM and SHOCK MOUNTING - A05CA32EA (4999200489920048C02)
THROTTLE CONTROL/CABLE - A05CA32EA (4999200489920048B08)
TOOL KIT - A05CA32EA (4999202939920293D02)
WHEEL, FRONT - A05CA32EA (4999202939920293A13)
WHEEL, REAR - A05CA32EA (4999201499920149B08)
Fuel Your Passion
Parts That Keep You Riding
Edit ride