Summit 800 HO, 2004
01- Cooling System
01- Engine 1
01- Engine 2
01- Exhaust System
02- Air Intake System
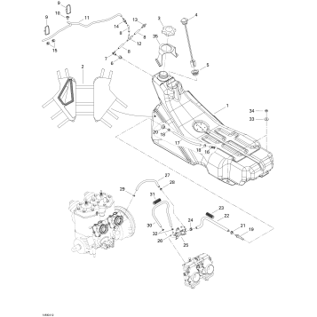
02- Fuel System
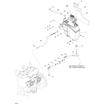
02- Oil Tank
05- Drive System
06- Hydraulic Brake
07- Front Suspension
07- Front Take Apart Shocks
07- Steering System (Sport, Adrenaline, Highmark)
07- Steering System (X, Highmark X, HM Xtreme)
08- Front Arm
08- Rear Arm
08- Rear Shocks
08- Rear Suspension
08- Rear Take Apart Shocks
09- Bottom Pan
09- Decals (sport, Adrenaline, Highmark)
09- Decals (x, Highmark X, Hm Xtreme)
09- Frame 1
09- Frame 2
09- Hood
09- Luggage Rack
09- Options
09- Seat
09- Utilities 1
09- Utilities 2
09- Windshield And Console
10- Electrical System 1
10- Electrical System 2
10- Frame Harness
10- Steering Harness
01- Crankcase, Water Pump And Oil Pump (793 HO)
01- Crankshaft And Pistons (793 HO)
01- Cylinder, Exhaust Manifold, Reed Valve (793 HO)
02- Carburetor (800 HO W-o DPM)
02- Carburetor (800 HO With DPM)
03- Magneto (12V, 360W) (793 HO) (RER)
03- Magneto (12V, 360W) (793 HO) (STD)
04- Rewind Starter (793 HO)
05- Pulley System (800 HO)
Fuel Your Passion
Parts That Keep You Riding
Edit ride