RM400 (1979)
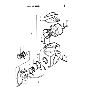
AIR CLEANER
CARBURETOR
CHAIN TENSIONER
CLUTCH
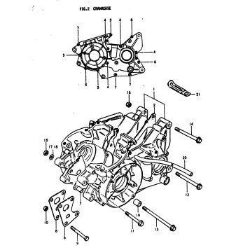
CRANKCASE
CRANKCASE COVER
CRANKSHAFT
CYLINDER
ELECTRICAL
FENDER
FRAME - SEAT
FRAME COVER
FRONT FORK
FRONT WHEEL
FUEL COCK
FUEL TANK
GEAR SHIFTING
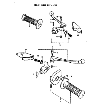
HANDLE GRIP - LEVER
HANDLEBAR
KICK STARTER
MAGNETO
MUFFLER
OPTIONAL
REAR SWINGING ARM
REAR WHEEL
STAND - FOOTREST
TRANSMISSION
Fuel Your Passion
Parts That Keep You Riding
Edit ride