- Partiron
- OEM Parts
- Suzuki
- Motorcycle
- 1979
- RM400 (1979)
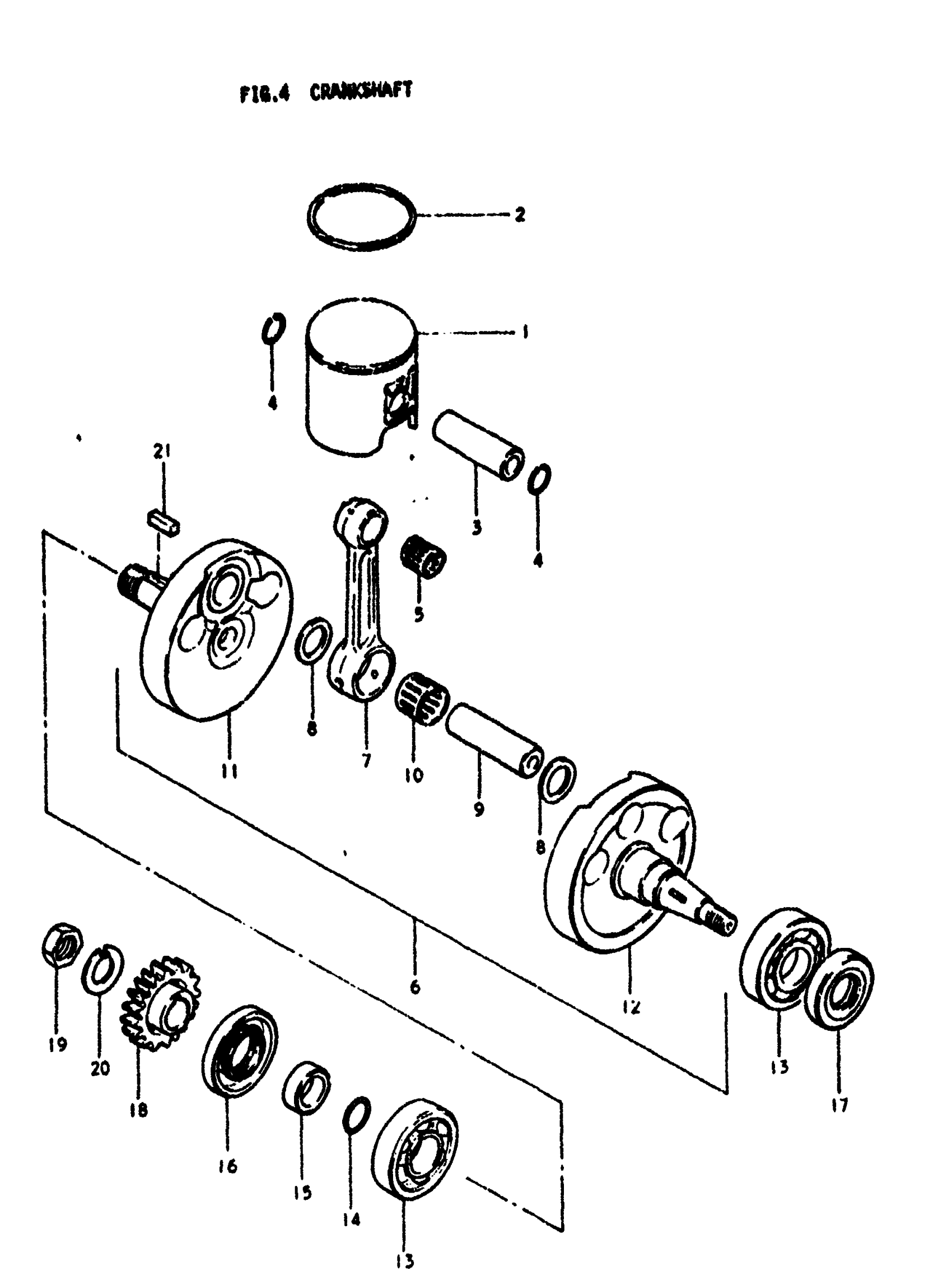
CRANKSHAFT
Suzuki RM400 (1979) CRANKSHAFT Diagram
#
Description
Price
1
PISTON
12110-40400
Unavailable
1
NO DESCRIPTION AVAILABLE | OS:0.25 This part replaces 12110-40400-025.
12103-40870-025
Unavailable
1
PISTON SET | OS:0.5 This part replaces 12110-40400-050.
12103-40870-050
Unavailable
2
RING, PISTON
12141-41220
Unavailable
2
RING, PISTON | OS:0.25
12141-41220-025
Unavailable
2
RING, PISTON | OS:0.5
12141-41220-050
Unavailable
5
BEARING
09263-18014
Unavailable
6
CRANKSHAFT ASSY | Includes Item(s) 7 - 12
12200-40400
Unavailable
7
ROD, CONNECTING
12161-40400
Unavailable
8
THRUST WASHER
09160-24014
Unavailable
9
PIN,CRANK This part replaces 12211-41201.
12211-40900
Unavailable
11
CRANKSHAFT, RH
12221-40400
Unavailable
12
CRANKSHAFT, LH
12261-40400
Unavailable
15
SPACER | 22x37x12.5
09180-22017
Unavailable
16
OIL SEAL, RH | 37x62x9
09289-37001
Unavailable
17
OIL SEAL, LH | 24x50x9
09283-24001
Unavailable
18
GEAR, PRIMARY DRIVE (NT:26) | NT:26 This part replaces 21111-40400.
21111-40402
Unavailable
19
NUT
09140-14017
Unavailable
20
WASHER
09166-14010
Unavailable
21
KEY
09421-07001
Unavailable
