RM250 (1984)
AIR CLEANER
CARBURETOR
CHAIN GUIDE
CLUTCH
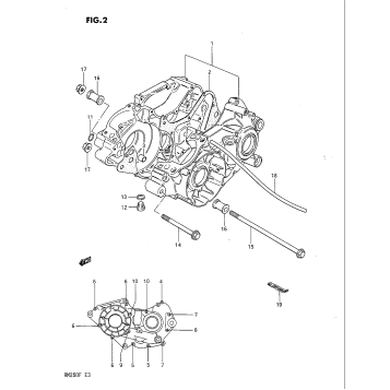
CRANKCASE
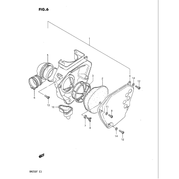
CRANKCASE COVER
CRANKSHAFT
CUSHION LEVER
CYLINDER
DISK COVER (OPTIONAL) MODEL F
ELECTRICAL
FRAME - SEAT
FRAME COVER
FRONT BRAKE HOSE (MODEL F)
FRONT CALIPER (MODEL F)
FRONT DAMPER (MODEL F)
FRONT FENDER
FRONT FORK (MODEL E)
FRONT MASTER CYLINDER (MODEL F)
FRONT WHEEL (MODEL E)
FRONT WHEEL (MODEL F)
FUEL COCK
FUEL TANK
GEAR SHIFTING
HANDLEBAR (MODEL E)
HANDLEBAR (MODEL F)
KICK STARTER
LEFT HANDLE SWITCH (MODEL E)
LEFT HANDLE SWITCH (MODEL F)
MAGNETO
MUFFLER
OPTIONAL
PANEL COVER (OPTIONAL) MODEL E
RADIATOR
REAR BRAKE
REAR FENDER
REAR SWINGING ARM
REAR WHEEL
RIGHT HANDLE SWITCH (MODEL E)
RIGHT HANDLE SWITCH (MODEL F)
SHOCK ABSORBER (MODEL E)
SHOCK ABSORBER (MODEL F)
STAND - FOOTREST
STEERING STEM (MODEL F)
TRANSMISSION
WATER PUMP
Fuel Your Passion
Parts That Keep You Riding
Edit ride