- Partiron
- OEM Parts
- Suzuki
- Motorcycle
- 1985
- RM250 (1985)
KICK STARTER
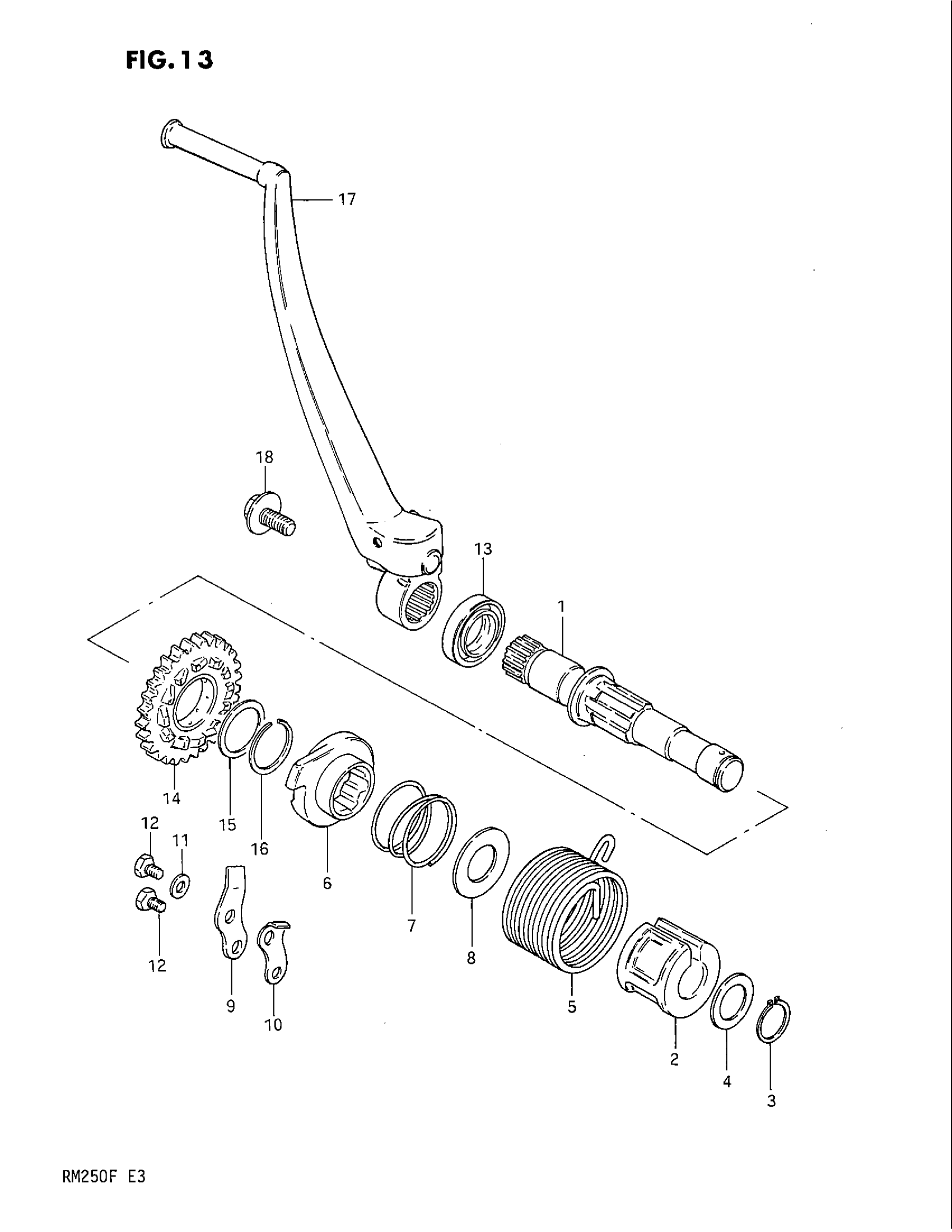
Suzuki RM250 (1985) KICK STARTER Diagram
#
Description
Price
1
SHAFT, KICK STARTER
26211-14301
Unavailable
5
SPRING
09448-45012
Unavailable
14
GEAR, KICK DRIVE (NT:27) | MODEL E This part replaces 26240-41103.
26240-13A00
Unavailable
14
GEAR, KICK DRIVE (NT:27) | MODEL F
26240-13A00
Unavailable
