MXZ 600 RS, 2017
01- Cooling System
01- Crankcase
01- Crankshaft and Pistons
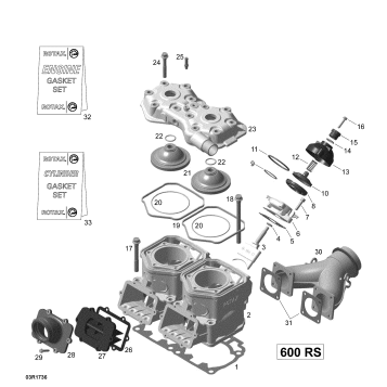
01- Cylinder, Exhaust Manifold and Reed Valve
01- Engine
01- Exhaust System
02- Air Intake System
02- Carburetor
02- Fuel System
03- Magneto
04- Rewind Starter
05- Drive System
05- Pulley System
06- Brakes
07- Front Suspension And Ski
07- Steering
08- Rear Suspension
09- Bottom Pan
09- Decals
09- Frame
09- Hood
09- Seat
09- Utilities
10- Electrical Harness
10- Electrical System
Fuel Your Passion
Parts That Keep You Riding
Edit ride