MX Z 500/600/700/800, 2002
01- Cooling System
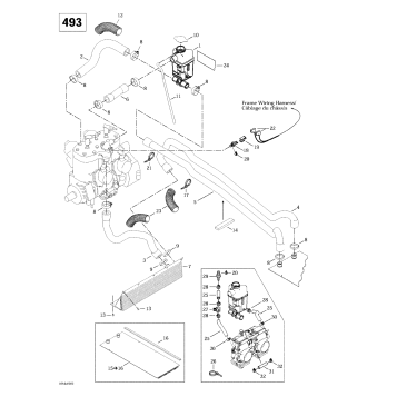
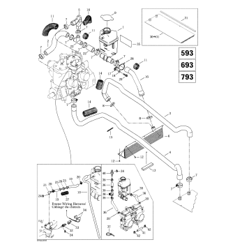
01- Cooling System (593)
01- Crankcase, Water Pump And Oil Pump
01- Crankshaft And Pistons (493, 593)
01- Crankshaft And Pistons (693, 793)
01- Cylinder, Exhaust Manifold, Reed Valve (493, 593, 693)
01- Cylinder, Exhaust Manifold, Reed Valve (793)
01- Engine Support And Muffler
02- Air Intake System (no DPM)
02- Air Intake System (with DPM)
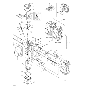
02- Carburetors
02- Fuel System
02- Oil Tank
03- Ignition (no DPM)
03- Ignition (with DPM)
03- Magneto (12V, 290W)
04- Rewind Starter
05- Chaincase
05- Drive Axle And Track
05- Drive Pulley
05- Driven Pulley (493 RER)
05- Driven Pulley (493)
06- Hydraulic Brake And Belt Guard
07- Front Suspension And Ski
07- Front Take Apart Shocks
07- Steering System
07- Steering System (X)
08- Front Arm
08- Rear Arm
08- Rear Suspension
08- Rear Take Apart Shocks
09- Bottom Pan
09- Cab, Console
09- Decals
09- Frame - Front
09- Frame - Front (X)
09- Frame - Rear
09- Frame - Rear (X)
09- Seat And Accessories
10- Electrical System
Fuel Your Passion
Parts That Keep You Riding
Edit ride