CT90K5A MOTORCYCLE, JPN, VIN# CT90-1500001
FRAME
AIR CLEANER
CARBURETOR
CAM CHAIN + CAM CHAIN TENSIONER
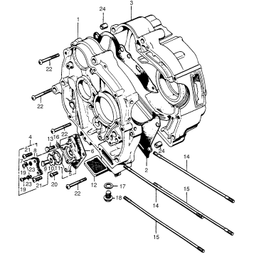
CRANKCASE + OIL PUMP
CAMSHAFT + VALVE
CLUTCH
CRANKSHAFT + PISTON
GEARSHIFT
SUB-TRANSMISSION
TOOLS
HANDLEBAR
MUFFLER
REAR SHOCK ABSORBER
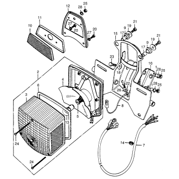
TAILLIGHT
FRONT FORK
TURN SIGNAL
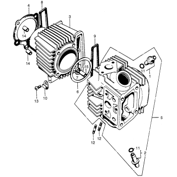
CYLINDER + CYLINDER HEAD
HEADLIGHT + SPEEDOMETER
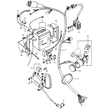
WIRE HARNESS + BATTERY
LEFT CRANKCASE COVER + ALTERNATOR
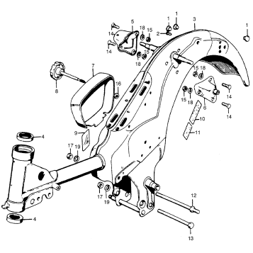
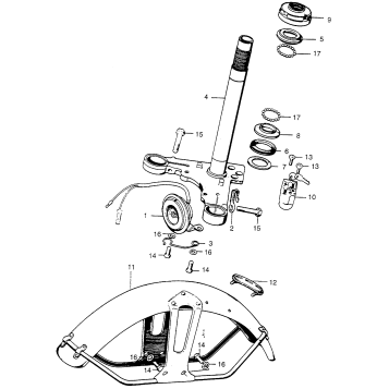
STEERING STEM + FRONT FENDER
SWINGARM + DRIVE CHAIN
FUEL TANK + SUB TANK
KICK STARTER + CHANGE PEDAL
RIGHT CRANKCASE COVER + CLUTCH LIFTER
SEAT + CARRIER
CYLINDER HEAD COVER + POINTS
FRONT WHEEL + BRAKE PANEL
MAIN PIPE COVER + CRANKCASEPROTECTOR + STEP
MAIN STAND + BRAKE PEDAL
REAR WHEEL + BRAKE PANEL
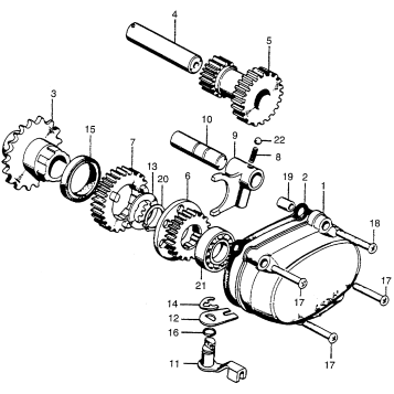
TRANSMISSION + KICK STARTER
TURN SIGNAL + LEVER + CABLE
Fuel Your Passion
Parts That Keep You Riding
Edit ride