- Partiron
- OEM Parts
- Honda
- MOTORCYCLE
- Models With No Year
- CB200A MOTORCYCLE, JPN, VIN# CB200-1000001
CARBURETOR
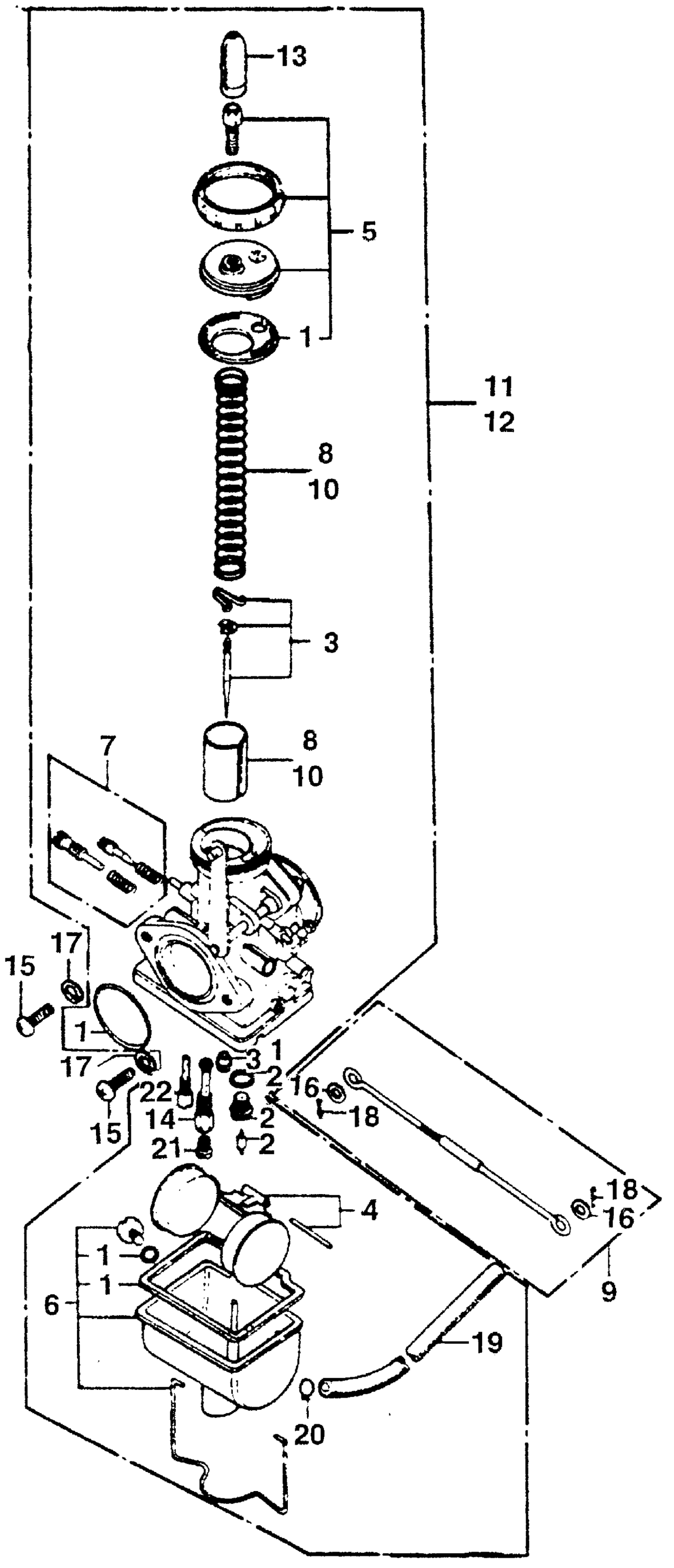
Honda CB200A MOTORCYCLE, JPN, VIN# CB200-1000001 CARBURETOR Diagram
#
Description
Price
5
TOP SET
16014-116-700
Unavailable
5
TOP SET This part replaces 16014-116-704.
16014-116-700
Unavailable
5
TOP SET This part replaces 16014-306-004.
16014-116-700
Unavailable
6
CHAMBER SET A, FLOAT (NOT AVAILABLE)
16015-304-004
Unavailable
7
SCREW SET A
16016-046-004
Unavailable
8
VALVE SET A, THROTTLE
16022-304-004
Unavailable
9
ROD SET A, CHOKE
16025-306-004
Unavailable
10
VALVE SET B, THROTTLE (NOT AVAILABLE)
16027-304-004
Unavailable
11
CARBURETOR ASSY., R. (NOT AVAILABLE) | Use up to Engine SN 1024478
16100-354-004
Unavailable
12
CARBURETOR ASSY., L. | Use up to Engine SN 1024478
16102-354-004
Unavailable
14
HOLDER, NEEDLE JET (NOT AVAILABLE)
16165-354-004
Unavailable
21
JET, MAIN (88) (NOT AVAILABLE) | Use from Engine SN 008 A to 008 A
99114-246-0880
Unavailable
22
JET, SLOW (#38) | Use from Engine SN 008 A to 008 A
99124-089-0381
Unavailable
22
JET, SLOW (#35) (NOT AVAILABLE) | Use from Engine SN 027 B
99124-292-0350
Unavailable
22
JET, SLOW (#38) | Use from Engine SN 008 A to 008 A This part replaces 99124-303-0380.
99124-089-0381
Unavailable
