- Partiron
- OEM Parts
- Honda
- MOTORCYCLE
- Models With No Year
- CT90K5A MOTORCYCLE, JPN, VIN# CT90-1500001
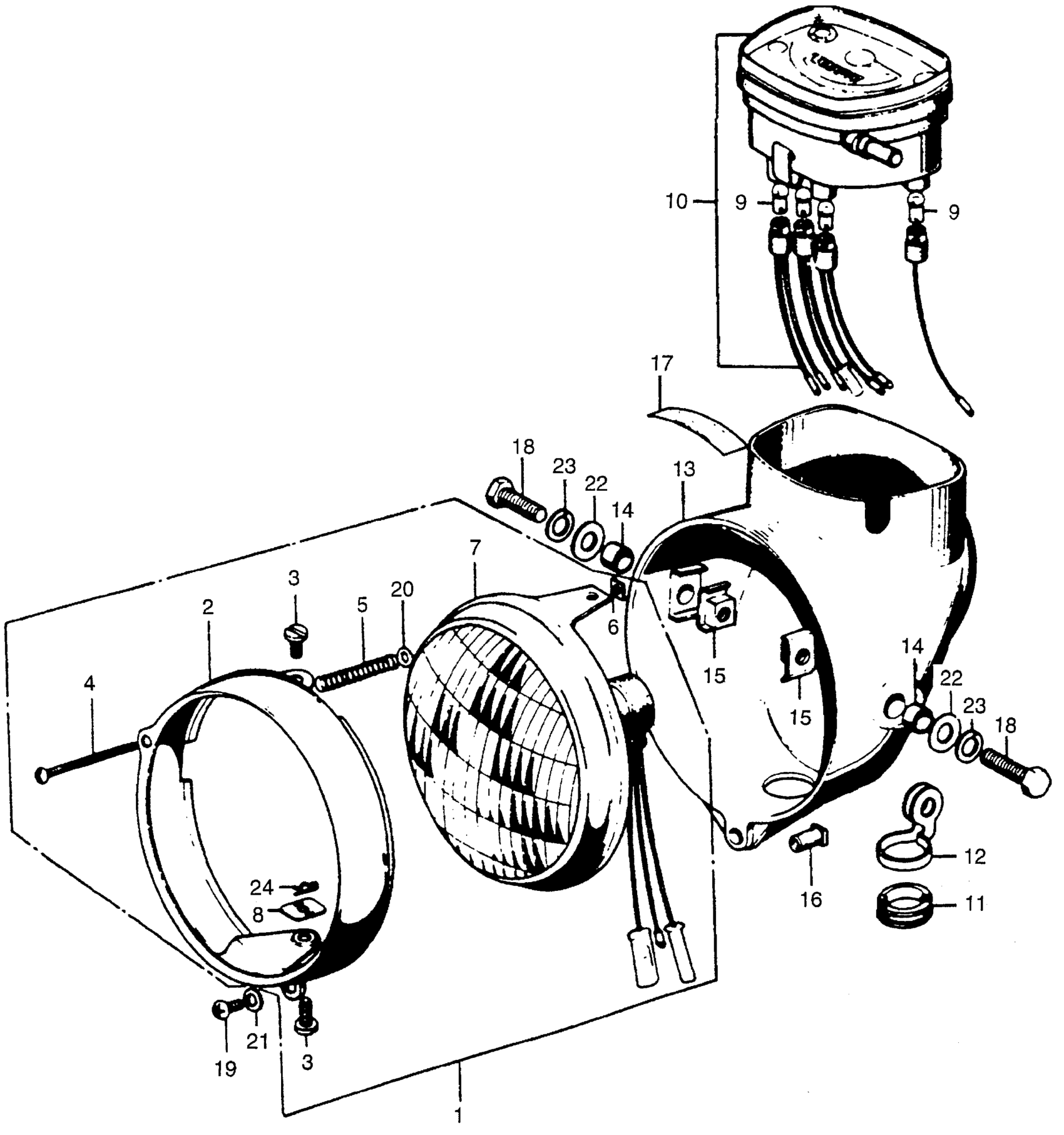
HEADLIGHT + SPEEDOMETER
Honda CT90K5A MOTORCYCLE, JPN, VIN# CT90-1500001 HEADLIGHT + SPEEDOMETER Diagram
#
Description
Price
1
HEADLIGHT ASSY. (NOT AVAILABLE) This part replaces 33100-243-670.
33100-243-672
Unavailable
1
HEADLIGHT ASSY. (NOT AVAILABLE)
33100-243-672
Unavailable
3
SCREW, UNIT HOLDER (NOT AVAILABLE)
33102-283-000
Unavailable
4
SCREW, HEADLIGHT BEAM ADJ.
33103-200-020
Unavailable
6
NUT, HEADLIGHT BEAM ADJ. (NOT AVAILABLE)
33117-200-023
Unavailable
8
NUT, UNIT HOLDER
33128-200-033
Unavailable
10
SPEEDOMETER ASSY. (MPH) (NIPPON SEIKI) (NOT AVAILABLE)
37200-102-732
Unavailable
12
HOLDER, CABLE (INNER) (NOT AVAILABLE) | Use from Frame SN 1520002
45468-102-730
Unavailable
13
CASE, HEADLIGHT *YR6* (MARS ORANGE) (NOT AVAILABLE)
61301-102-701JL
Unavailable
14
COLLAR, HEADLIGHT CASE
61302-230-620
Unavailable
15
WASHER, HEADLIGHT CASE (NOT AVAILABLE)
61303-230-620
Unavailable
16
NUT, HEADLIGHT SETTING
61308-229-310
Unavailable
16
NUT, HEADLIGHT SETTING This part replaces 61308-230-020.
61308-229-310
Unavailable
17
MARK B, HANDLE LOCK (NOT AVAILABLE)
87505-102-700
Unavailable
18
BOLT, HEX. (10X25) This part replaces 92000-10025-0B.
92101-10025-0B
Unavailable
