- Partiron
- OEM Parts
- Honda
- MOTORCYCLE
- Models With No Year
- CT90K5A MOTORCYCLE, JPN, VIN# CT90-1500001
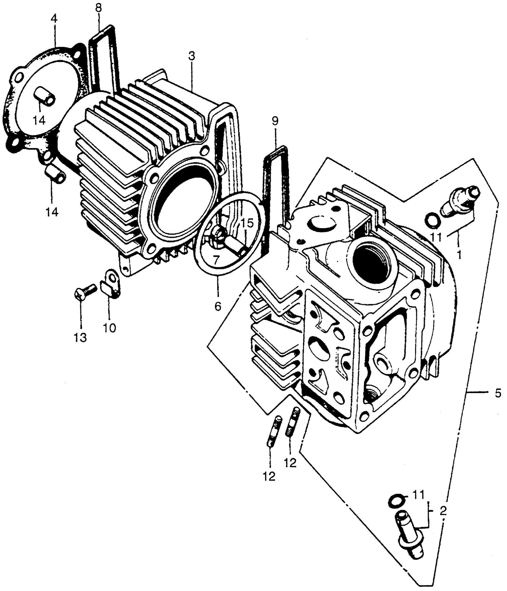
CYLINDER + CYLINDER HEAD
Honda CT90K5A MOTORCYCLE, JPN, VIN# CT90-1500001 CYLINDER + CYLINDER HEAD Diagram
#
Description
Price
1
GUIDE, VALVE This part replaces 12021-VM6-000.
12021-943-000
Unavailable
1
GUIDE, VALVE This part replaces 12021-028-340.
12021-943-000
Unavailable
1
GUIDE, VALVE
12021-943-000
Unavailable
1
GUIDE, VALVE This part replaces 12201-028-340.
12021-943-000
Unavailable
3
CYLINDER This part replaces 12100-028-790.
12100-028-791
Unavailable
3
CYLINDER
12100-028-791
Unavailable
3
CYLINDER This part replaces 12100-056-790.
12100-028-791
Unavailable
3
CYLINDER This part replaces 12100-056-791.
12100-028-791
Unavailable
5
CYLINDER HEAD (NOT AVAILABLE) This part replaces 12200-028-790.
12200-028-792
Unavailable
5
CYLINDER HEAD (NOT AVAILABLE) This part replaces 12200-028-791.
12200-028-792
Unavailable
5
CYLINDER HEAD (NOT AVAILABLE)
12200-028-792
Unavailable
6
GASKET, CYLINDER HEAD
12251-028-790
Unavailable
10
CLIP, IGNITION WIRE (NOT AVAILABLE)
32906-011-010
Unavailable
