CT70HA MOTORCYCLE, JPN, VIN# CT70H-100001
CAM CHAIN TENSIONER
BRAKE PEDAL + SIDE STAND + STEP
CRANKCASE + OIL PUMP
FRONT FORK + FRONT FENDER
CLUTCH
CRANKSHAFT + PISTON
FUEL TANK
GEARSHIFT
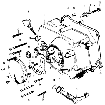
RIGHT CRANKCASE COVER
TRANSMISSION
HANDLEBAR
TOOL SET
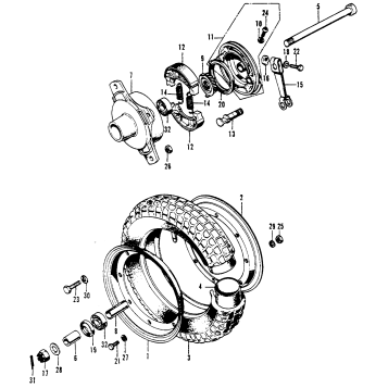
FRONT WHEEL
MUFFLER
REAR SHOCK ABSORBER
REAR WHEEL
FRONT FORK
CARBURETOR SET
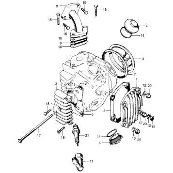
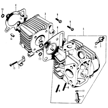
CYLINDER + CYLINDER HEAD
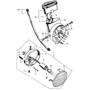
HEADLIGHT + SPEEDOMETER
KICK STARTER
SWINGARM + CHAIN CASE
WIRE HARNESS + BATTERY
LEFT CRANKCASE COVER + ALTERNATOR
CAMSHAFT + VALVES
SEAT + AIR CLEANER
FRAME + CRANKCASE PROTECTOR
TAILLIGHT + REAR FENDER
CYLINDER HEAD COVER + INLETPIPE + SPARK PLUG
Fuel Your Passion
Parts That Keep You Riding
Edit ride