- Partiron
- OEM Parts
- Honda
- MOTORCYCLE
- Models With No Year
- CT70HA MOTORCYCLE, JPN, VIN# CT70H-100001
WIRE HARNESS + BATTERY
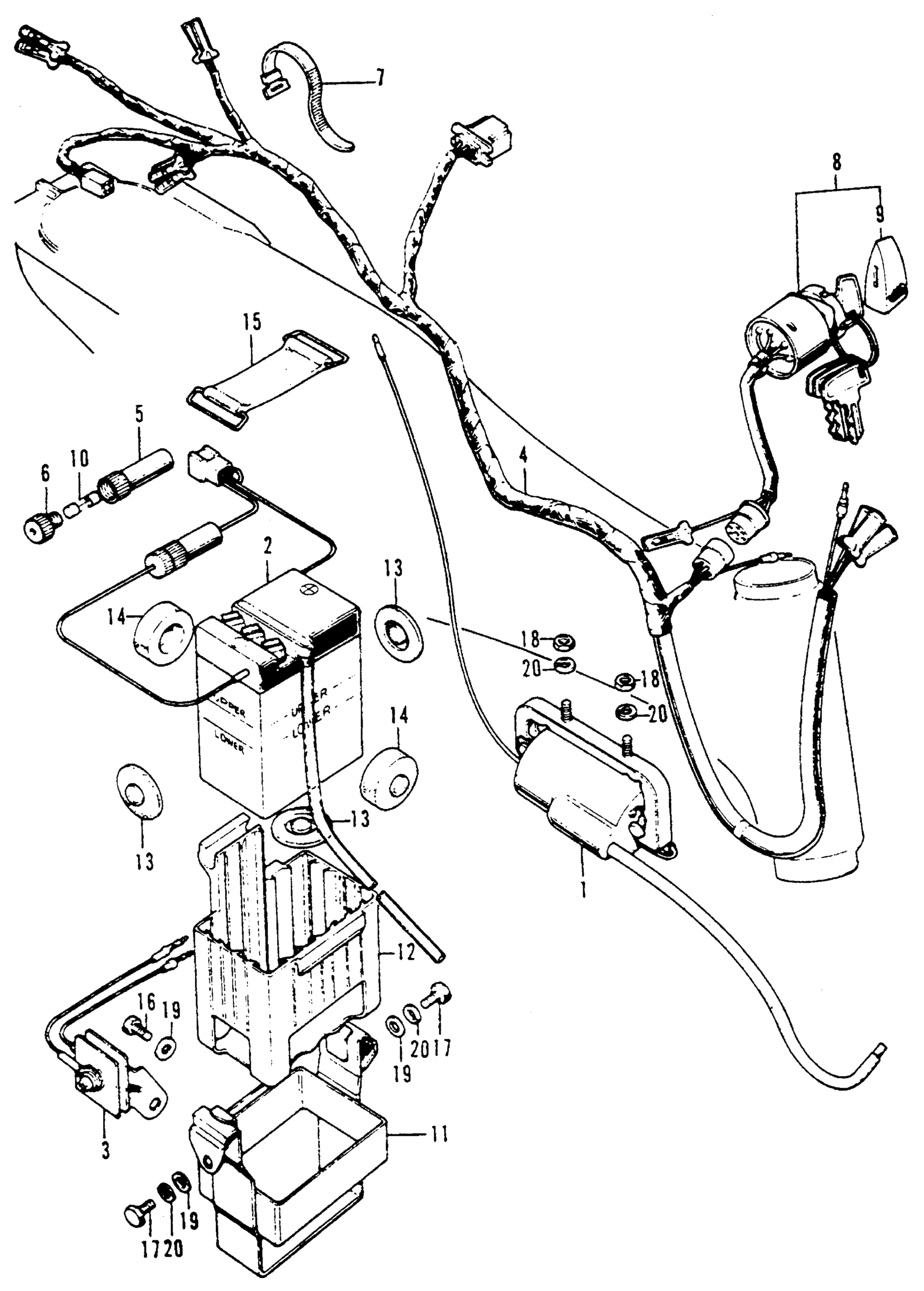
Honda CT70HA MOTORCYCLE, JPN, VIN# CT70H-100001 WIRE HARNESS + BATTERY Diagram
#
Description
Price
1
COIL, IGNITION This part replaces 30500-098-671.
30530-126-921
Unavailable
1
COIL, IGNITION
30530-126-921
Unavailable
2
BATTERY (6V2AH) This part replaces 31500-098-671.
31500-098-505AH
Unavailable
2
BATTERY (6V2AH) This part replaces 31500-098-681.
31500-098-505AH
Unavailable
3
RECTIFIER ASSY. This part replaces 31700-045-671.
31700-098-305
Unavailable
3
RECTIFIER ASSY.
31700-098-305
Unavailable
3
RECTIFIER ASSY. This part replaces 31700-098-921.
31700-098-305
Unavailable
3
RECTIFIER ASSY. This part replaces 31700-098-922.
31700-098-305
Unavailable
3
RECTIFIER ASSY. This part replaces 31700-118-771.
31700-098-305
Unavailable
4
WIRE HARNESS (NOT AVAILABLE)
32100-098-671
Unavailable
5
CONNECTOR A, FUSE (YUASA) This part replaces 32106-041-000.
32106-437-300
Unavailable
5
CONNECTOR A, FUSE (YUASA) This part replaces 32106-041-008.
32106-437-300
Unavailable
5
CONNECTOR A, FUSE (YUASA)
32106-437-300
Unavailable
6
CONNECTOR B, FUSE (YUASA) This part replaces 32112-041-000.
32112-041-008
Unavailable
6
CONNECTOR B, FUSE (YUASA)
32112-041-008
Unavailable
9
CAP, KEY
35112-098-670
Unavailable
11
BOX, BATTERY (NOT AVAILABLE) | Use up to Frame SN 147031 This part replaces 50325-098-000.
50325-098-010
Unavailable
11
BOX, BATTERY (NOT AVAILABLE)
50325-098-010
Unavailable
12
RUBBER, BATTERY | Use from Frame SN 147032
50326-098-000
Unavailable
14
RUBBER A, BATTERY (NOT AVAILABLE) | Use up to Frame SN 147031
50328-098-670
Unavailable
15
BAND, BATTERY | Use from Frame SN 147032
50382-098-000
Unavailable
