- Partiron
- OEM Parts
- Honda
- MOTORCYCLE
- Models With No Year
- CT70HA MOTORCYCLE, JPN, VIN# CT70H-100001
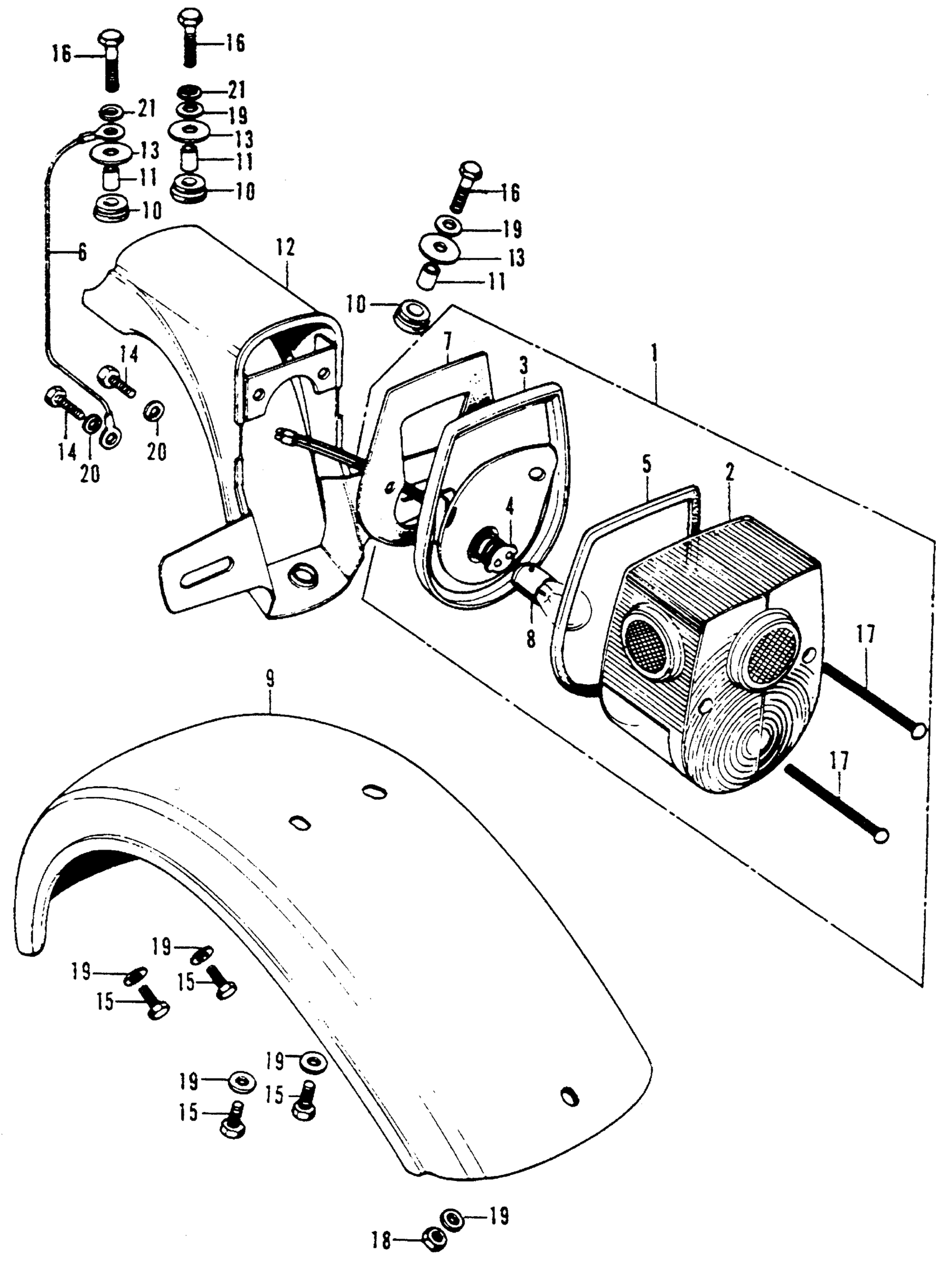
TAILLIGHT + REAR FENDER
Honda CT70HA MOTORCYCLE, JPN, VIN# CT70H-100001 TAILLIGHT + REAR FENDER Diagram
#
Description
Price
1
TAILLIGHT ASSY. (NOT AVAILABLE) This part replaces 33701-074-670.
33700-074-671
Unavailable
2
LENS, TAILLIGHT
33702-074-671
Unavailable
3
BASE, TAILLIGHT (NOT AVAILABLE)
33703-074-671
Unavailable
4
WIRE, TAILLIGHT
33708-077-671
Unavailable
6
WIRE, TAIL/STOP LIGHT GROUND
33712-098-670
Unavailable
7
GASKET, TAILLIGHT BASE
33719-074-670
Unavailable
8
BULB, STOP & TAILLIGHT (6V17/5.3W) (1154) (STANLEY) This part replaces 34906-041-670.
34906-202-670
$11.50
8
BULB, STOP & TAILLIGHT (6V17/5.3W) (1154) (STANLEY) This part replaces 34906-041-671.
34906-202-670
$11.50
8
BULB, STOP & TAILLIGHT (6V17/5.3W) (1154) (STANLEY) This part replaces 34906-205-222.
34906-202-670
$11.50
8
BULB, STOP & TAILLIGHT (6V17/5.3W) (1154) (STANLEY) This part replaces 34911-001-810.
34906-202-670
$11.50
9
FENDER, RR. *TMFCR2* (CHROMIUM PLATING) This part replaces 80100-098-670XW.
80100-098-670ZB
$120.39
9
FENDER, RR. *TMFCR2* (CHROMIUM PLATING) This part replaces 80100-098-670ZA.
80100-098-670ZB
$120.39
12
BRACKET, NUMBER PLATE *MRCR2* (CHROME PLATING) (NOT AVAILABLE)
84701-098-671XW
Unavailable
