CL100S3A MOTORCYCLE, JPN, VIN# CL100S-1300001 TO CL100S-1301000
FRAME
AIR CLEANER
CARBURETOR
CAMSHAFT + VALVE
CLUTCH
CRANKSHAFT + PISTON
GEARSHIFT
TRANSMISSION
TOOL SET
FRONT WHEEL
REAR WHEEL
CYLINDER + CYLINDER HEAD
KICK STARTER
SWINGARM + CHAIN CASE
WIRE HARNESS + BATTERY
CHANGE PEDAL + KICK STARTER ARM
POINTS + SPARK ADVANCER
CAM CHAIN TENSIONER + OIL FILTER SCREEN
HANDLEBAR + FORK TOP BRIDGE
LEFT CRANKCASE COVER + ALTERNATOR
OIL FILTER ROTOR + OIL PUMP
RIGHT & LEFT CRANKCASE
RIGHT CRANKCASE COVER + CLUTCH LEVER
SEAT + REAR FENDER
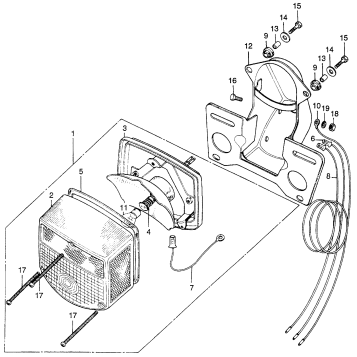
HEADLIGHT + HEADLIGHT CASE
SIDE COVER + SIDE COVER EMBLEM
SWITCH + CABLE + LEVER
CL/100/SMAIN STAND + STEP BAR K2
CL100 FRONT FORK K2-S3
CL100 FUEL TANK + FUEL VALVE K2-S3
CL100 MUFFLER K2-S3
CL100 REAR SHOCK ABSORBER K2-S3
CL100 STEERING STEM + FRONT FENDER (CL100K2.SK2.SK3) K2-S3
CL100S SPEEDOMETER K3
CL100S TAILLIGHT K3
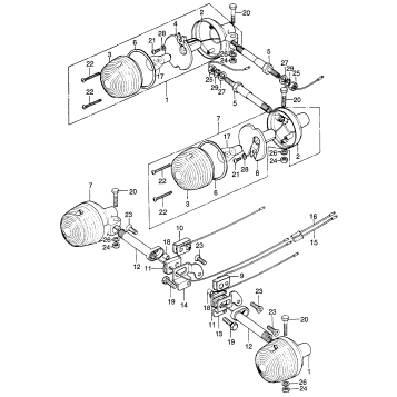
CL100S TURN SIGNAL K3
Fuel Your Passion
Parts That Keep You Riding
Edit ride