- Partiron
- OEM Parts
- Honda
- MOTORCYCLE
- Models With No Year
- CL100K2A MOTORCYCLE, JPN, VIN# CL100-1200001 TO CL100-1205400
FRAME
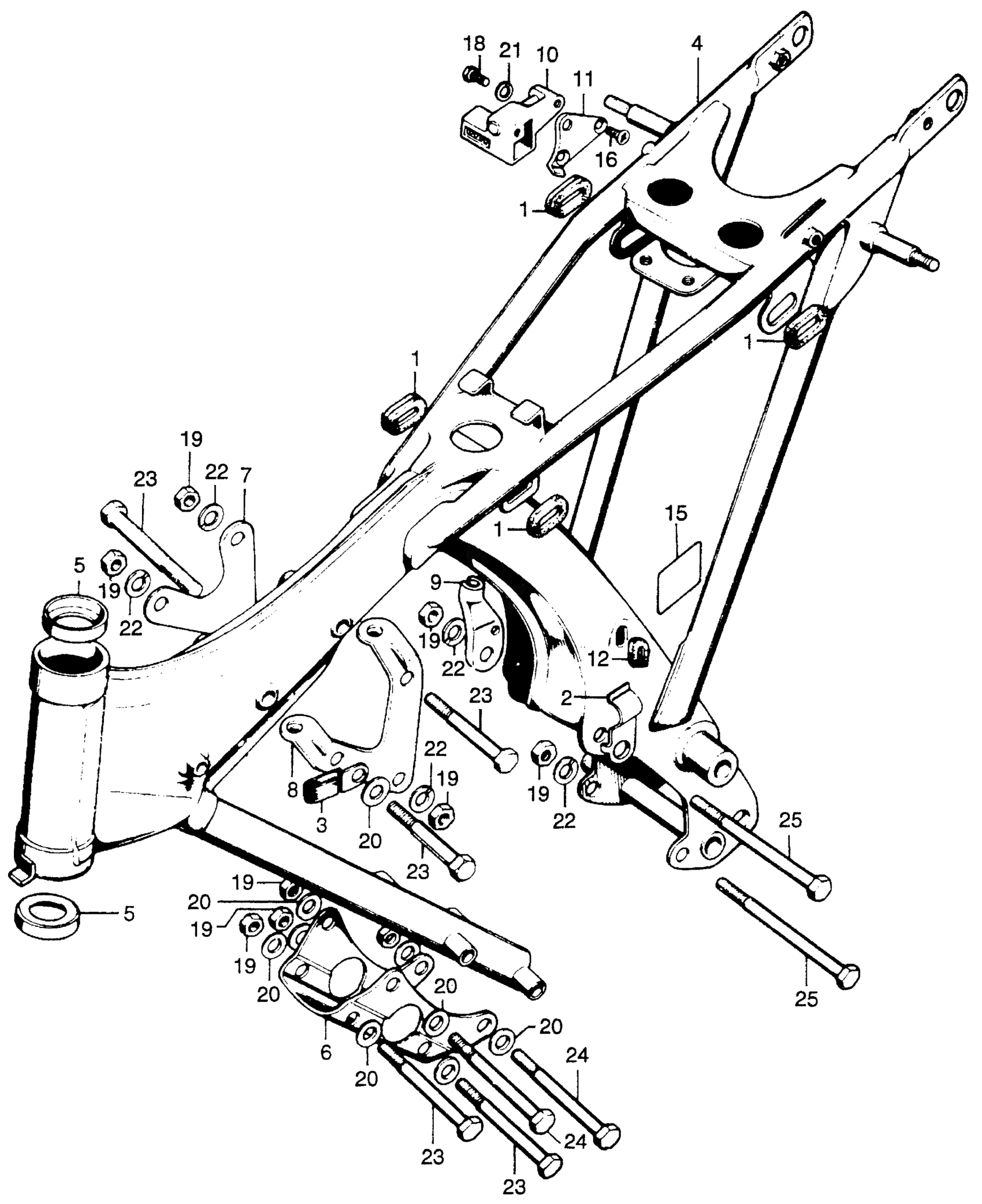
Honda CL100K2A MOTORCYCLE, JPN, VIN# CL100-1200001 TO CL100-1205400 FRAME Diagram
#
Description
Price
2
CLIP, ALTERNATOR WIRE
32907-331-000
Unavailable
3
CLIP, COMBINATION SWITCH WIRE (NOT AVAILABLE)
32908-107-700
Unavailable
4
FRAME *NH1* (BLACK)
50100-107-781B
Unavailable
6
PLATE, FR. ENGINE HANGER *NH1* (BLACK)
50351-107-010B
Unavailable
7
PLATE, R. ENGINE HANGER (UPPER) (NOT AVAILABLE)
50353-107-000
Unavailable
8
PLATE, L. ENGINE HANGER (UPPER) (NOT AVAILABLE) This part replaces 50354-107-010.
50354-330-000
Unavailable
8
PLATE, L. ENGINE HANGER (UPPER) (NOT AVAILABLE)
50354-330-000
Unavailable
9
RECEIVER, CLUTCH CABLE (NOT AVAILABLE)
50356-107-000
Unavailable
11
STAY, HELMET HOLDER
50720-108-762
Unavailable
15
MARK, BATTERY CAUTION (NOT AVAILABLE)
87506-107-781
Unavailable
24
BOLT, HEX. (8X90) (NOT AVAILABLE) This part replaces 95300-08090.
95300-08090-00
Unavailable
24
BOLT, HEX. (8X90) (NOT AVAILABLE)
95300-08090-00
Unavailable
