- Partiron
- OEM Parts
- Honda
- MOTORCYCLE
- Models With No Year
- CL100K2A MOTORCYCLE, JPN, VIN# CL100-1200001 TO CL100-1205400
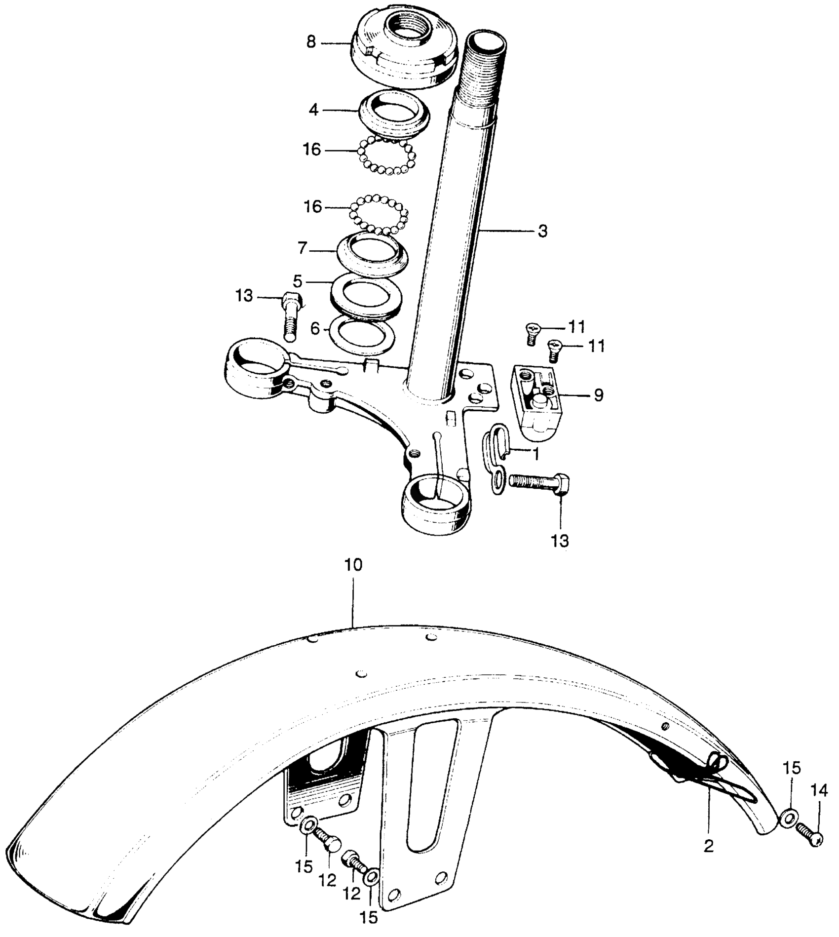
CL100 STEERING STEM + FRONT FENDER (CL100K2.SK2.SK3) K2-S3
Honda CL100K2A MOTORCYCLE, JPN, VIN# CL100-1200001 TO CL100-1205400 CL100 STEERING STEM + FRONT FENDER (CL100K2.SK2.SK3) K2-S3 Diagram
#
Description
Price
1
CLIP, FR. BRAKE CABLE
45465-028-000
Unavailable
2
CLIP, FR. BRAKE CABLE (NOT AVAILABLE)
45465-111-971
Unavailable
3
STEM, STEERING *NH1* (BLACK) This part replaces 53200-028-000B.
53200-028-000ZG
Unavailable
3
STEM, STEERING *NH1* (BLACK)
53200-028-000ZG
Unavailable
9
SWITCH, HANDLE LOCK (NOT AVAILABLE)
35010-001-010
Unavailable
9
SWITCH, HANDLE LOCK (NOT AVAILABLE) This part replaces 53600-001-020.
35010-001-010
Unavailable
10
FENDER, FR. *MRCR2* (CHROME PLATING) (NOT AVAILABLE)
61100-108-761XW
Unavailable
