- Partiron
- OEM Parts
- Honda
- MOTORCYCLE
- Models With No Year
- CB100K2A MOTORCYCLE, JPN, VIN# CB100-1200001 TO CB100-1209410
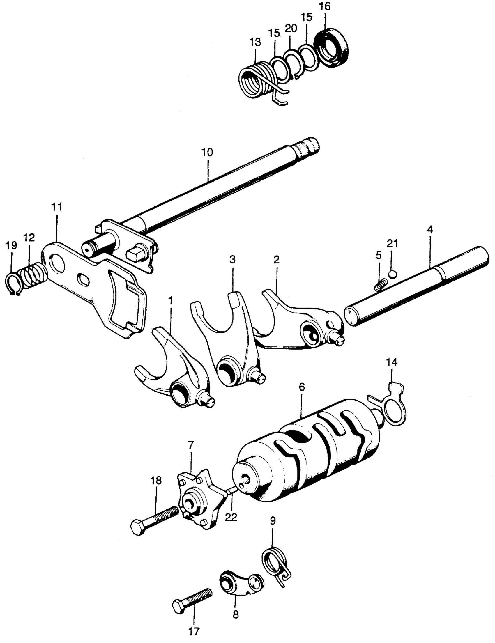
GEARSHIFT
Honda CB100K2A MOTORCYCLE, JPN, VIN# CB100-1200001 TO CB100-1209410 GEARSHIFT Diagram
#
Description
Price
3
FORK, CENTER GEARSHIFT This part replaces 24231-107-000.
24231-107-010
Unavailable
3
FORK, CENTER GEARSHIFT
24231-107-010
Unavailable
4
SHAFT, GEARSHIFT FORK GUIDE
24241-107-000
Unavailable
5
SPRING, BALL SETTING (NOT AVAILABLE)
24271-107-000
Unavailable
6
DRUM, GEARSHIFT (NOT AVAILABLE)
24301-107-000
Unavailable
8
STOPPER, GEARSHIFT DRUM This part replaces 24430-107-000.
24430-324-000
Unavailable
8
STOPPER, GEARSHIFT DRUM
24430-324-000
Unavailable
9
SPRING, SHIFT DRUM STOPPER (NOT AVAILABLE)
24435-107-761
Unavailable
10
SPINDLE, GEARSHIFT
24610-107-760
Unavailable
