CB550A MOTORCYCLE, JPN, VIN# CB550K-1000001
CARBURETOR
ALTERNATOR + OIL PUMP
FRONT WHEEL + REAR WHEEL
STEERING STEM + FRONT FENDER
HANDLEBAR + CABLE
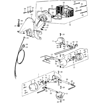
HEADLIGHT + SPEEDOMETER + TACHOMETER
FRONT BRAKE MASTER + CYLINDER
FRAME + WIRE HARNESS
BOLT + WASHER (CRANKCASE)
CAMSHAFT + CRANKSHAFT
CLUTCH + CRANKCASE COVER
CRANKCASE + OIL FILTER
CYLINDER + HEAD
EXHAUST MUFFLER + STEP STEP
FUEL TANK + AIR CLEANER
SWINGARM + REAR SHOCK ABSORBER
TAILLIGHT + TURN SIGNAL K
TRANSMISSION + KICK STARTER SPINDLE
Fuel Your Passion
Parts That Keep You Riding
Edit ride