- Partiron
- OEM Parts
- Honda
- MOTORCYCLE
- Models With No Year
- CB550A MOTORCYCLE, JPN, VIN# CB550K-1000001
FUEL TANK + AIR CLEANER
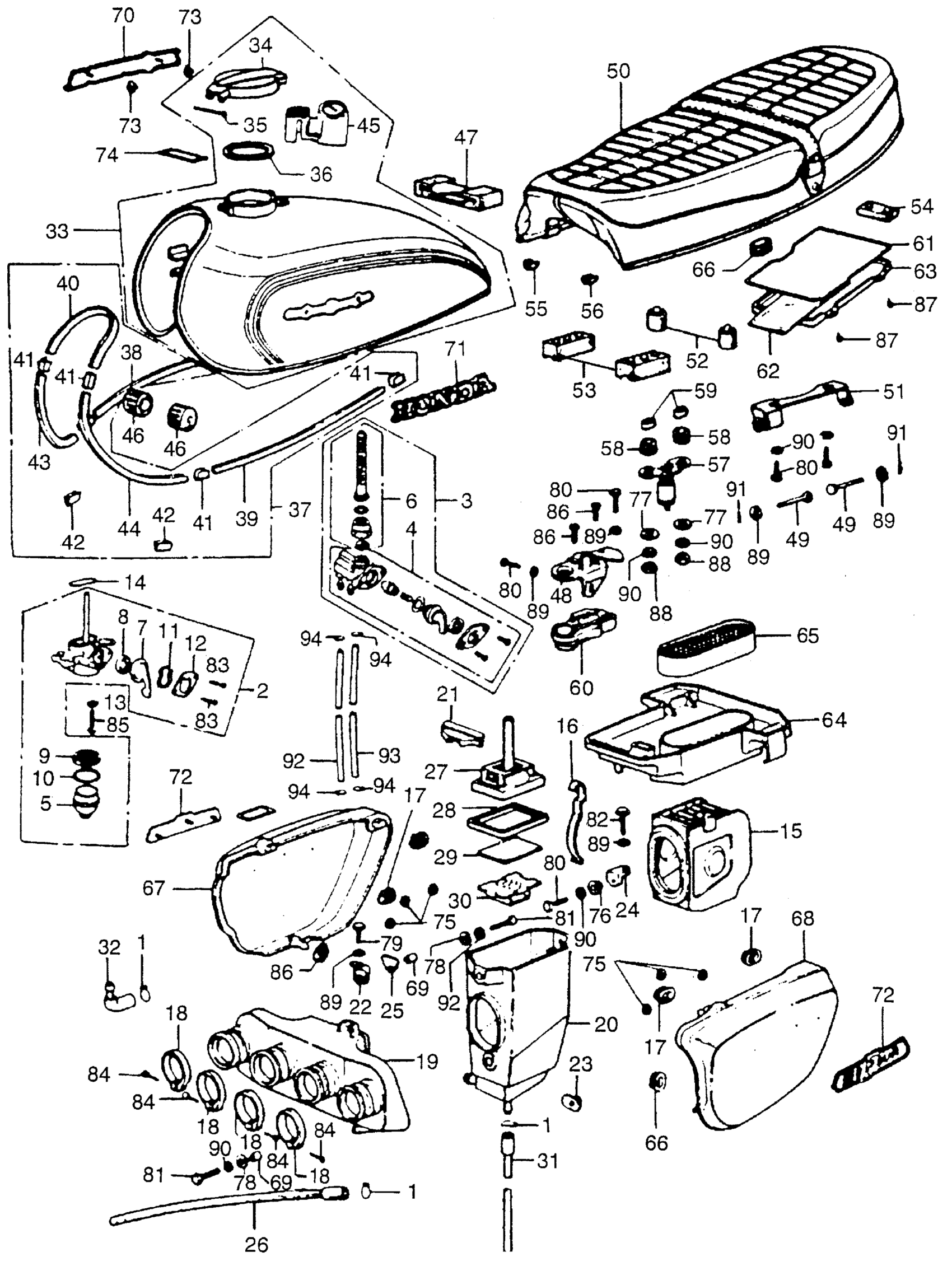
Honda CB550A MOTORCYCLE, JPN, VIN# CB550K-1000001 FUEL TANK + AIR CLEANER Diagram
#
5
CUP, FUEL STRAINER
16952-268-000
Unavailable
7
LEVER, VALVE (NOT AVAILABLE)
16953-268-020
Unavailable
11
SPRING, PETCOCK LEVER
16960-268-010
Unavailable
12
PLATE, PETCOCK LEVER SETTING (NOT AVAILABLE)
16961-268-010
Unavailable
13
GASKET, PETCOCK BODY
16993-011-000
Unavailable
15
ELEMENT, AIR CLEANER
17210-374-P00
Unavailable
15
ELEMENT, AIR CLEANER This part replaces 17210-374-003.
17210-374-P00
Unavailable
16
SPRING, AIR CLEANER ELEMENT (NOT AVAILABLE)
17216-323-020
Unavailable
19
CHAMBER, AIR CLEANER *NH1* (BLACK) This part replaces 17310-323-000B.
17310-323-010B
Unavailable
19
CHAMBER, AIR CLEANER *NH1* (BLACK)
17310-323-010B
Unavailable
20
HOUSING, AIR CLEANER ELEMENT SEAL (NOT AVAILABLE)
17313-374-003
Unavailable
21
COVER, AIR CLEANER (NOT AVAILABLE)
17315-323-000
Unavailable
22
STAY, AIR CLEANER (NOT AVAILABLE)
17317-323-010
Unavailable
23
WASHER, ELEMENT SETTING (NOT AVAILABLE)
17318-323-000
Unavailable
24
STAY, RR. AIR CLEANER (NOT AVAILABLE)
17319-323-000
Unavailable
25
PLATE, AIR CLEANER (NOT AVAILABLE)
17331-323-000
Unavailable
26
TUBE ASSY., BREATHER
17335-323-000
Unavailable
27
COVER, AIR CLEANER ELEMENT (NOT AVAILABLE)
17350-374-003
Unavailable
28
SEAL, ELEMENT COVER (NOT AVAILABLE)
17351-374-003
Unavailable
29
ELEMENT
17352-374-003
Unavailable
30
PLATE, SEAL (NOT AVAILABLE)
17353-374-003
Unavailable
31
TUBE ASSY., DRAIN (NOT AVAILABLE)
17358-374-000
Unavailable
32
PIECE, AIR CLEANER JOINT
17359-374-000
Unavailable
33
TANK ASSY., FUEL *BG1M/NH1* (FREEDOM GREEN METALLIC AND BLACK) (NOT AVAILABLE)
17050-374-000TE
Unavailable
33
TANK ASSY., FUEL *BG1M/NH1* (FREEDOM GREEN METALLIC AND BLACK) (NOT AVAILABLE) This part replaces 17050-374-000TF.
17500-374-810TF
Unavailable
33
TANK ASSY., FUEL *R2CH/NH1* (FLAKE SUNRISE ORANGE & BLACK) (NOT AVAILABLE) This part replaces 17500-374-000QJ.
17050-374-000QJ
Unavailable
33
TANK ASSY., FUEL *BG1M/NH1* (FREEDOM GREEN METALLIC AND BLACK) (NOT AVAILABLE) This part replaces 17500-374-000TE.
17050-374-000TE
Unavailable
33
TANK ASSY., FUEL *BG1M/NH1* (FREEDOM GREEN METALLIC AND BLACK) (NOT AVAILABLE) This part replaces 17500-374-000TF.
17500-374-810TF
Unavailable
33
TANK ASSY., FUEL *BG1M/NH1* (FREEDOM GREEN METALLIC AND BLACK) (NOT AVAILABLE)
17500-374-810TF
Unavailable
33
TANK ASSY., FUEL *R2CH/NH1* (FLAKE SUNRISE ORANGE & BLACK) (NOT AVAILABLE)
17050-374-000QJ
Unavailable
33
TANK ASSY., FUEL *R2CH/NH1* (FLAKE SUNRISE ORANGE & BLACK) (NOT AVAILABLE) This part replaces 17500-374-010QJ.
17050-374-000QJ
Unavailable
34
CAP, FUEL TANK
17510-323-310
Unavailable
35
PIN B, FUEL FILLER CAP (NOT AVAILABLE)
17514-323-300
Unavailable
37
MOLDING SET, FUEL TANK (NOT AVAILABLE)
17540-323-000
Unavailable
38
MOLDING, R. FUEL TANK (NOT AVAILABLE)
17541-323-000
Unavailable
39
MOLDING, L. FUEL TANK (NOT AVAILABLE)
17542-323-000
Unavailable
40
MOLDING, FUEL TANK MIDDLE (NOT AVAILABLE)
17543-323-000
Unavailable
41
CLIP A, FUEL TANK MOLDING (NOT AVAILABLE)
17544-323-000
Unavailable
42
CLIP B, FUEL TANK MOLDING
17545-323-010
Unavailable
43
MOLDING, R. TANK MIDDLE (NOT AVAILABLE)
17548-323-000
Unavailable
44
MOLDING, L. TANK MIDDLE (NOT AVAILABLE)
17549-323-000
Unavailable
45
LATCH ASSY., FUEL FILLER CAP
17550-377-315
Unavailable
48
PLATE, SEAT LOCK SETTING (NOT AVAILABLE)
50223-323-010
Unavailable
49
BAR, SEAT HINGE
77103-313-000
Unavailable
50
SEAT ASSY. (NOT AVAILABLE)
77200-374-003
Unavailable
51
HINGE, SEAT (NOT AVAILABLE) This part replaces 77201-323-000.
77201-323-010
Unavailable
51
HINGE, SEAT (NOT AVAILABLE)
77201-323-010
Unavailable
55
GARNISH, R. SEAT MOLDING (NOT AVAILABLE)
77211-323-300
Unavailable
56
GARNISH, L. SEAT MOLDING (NOT AVAILABLE)
77212-323-300
Unavailable
57
BAR ASSY., SEAT LOCK
77220-340-003
Unavailable
57
BAR ASSY., SEAT LOCK This part replaces 77220-340-010.
77220-340-003
Unavailable
57
BAR ASSY., SEAT LOCK This part replaces 77220-340-011.
77220-340-003
Unavailable
60
LOCK ASSY., SEAT (HONDALOCK)
77230-107-711
Unavailable
60
LOCK ASSY., SEAT (HONDALOCK) This part replaces 77230-347-003.
77230-107-711
Unavailable
61
LID, SEAT (LOWER) (NOT AVAILABLE)
77250-342-300
Unavailable
63
LID, SEAT (NOT AVAILABLE)
77260-323-300
Unavailable
64
TRAY, TOOL (NOT AVAILABLE)
83501-323-020
Unavailable
65
NET, TOOL TRAY (NOT AVAILABLE)
83502-323-000
Unavailable
67
COVER, R. SIDE *BG1M* (FREEDOM GREEN METALLIC) (NOT AVAILABLE)
83600-323-020TC
Unavailable
67
COVER, R. SIDE *RP9M* (BOSS MAROON METALLIC) (NOT AVAILABLE)
83600-323-020TD
Unavailable
67
COVER, R. SIDE *R2CF* (FLAKE SUNRISE ORANGE) (NOT AVAILABLE)
83600-323-020LV
Unavailable
68
COVER, L. SIDE *BG1M* (FREEDOM GREEN METALLIC) (NOT AVAILABLE)
83700-323-020TC
Unavailable
68
COVER, L. SIDE *RP9M* (BOSS MAROON METALLIC) (NOT AVAILABLE)
83700-323-020TD
Unavailable
68
COVER, L. SIDE *R2CF* (FLAKE SUNRISE ORANGE) (NOT AVAILABLE)
83700-323-020LV
Unavailable
72
EMBLEM, SIDE COVER (NOT AVAILABLE)
87124-374-000
Unavailable
82
BOLT, HEX. (6X40) This part replaces 92000-06040.
92101-06040-0A
Unavailable
82
BOLT, HEX. (6X40) This part replaces 92000-06040-0A.
92101-06040-0A
Unavailable
82
BOLT, HEX. (6X40)
92101-06040-0A
Unavailable
