- Partiron
- OEM Parts
- Honda
- MOTORCYCLE
- Models With No Year
- CB550A MOTORCYCLE, JPN, VIN# CB550K-1000001
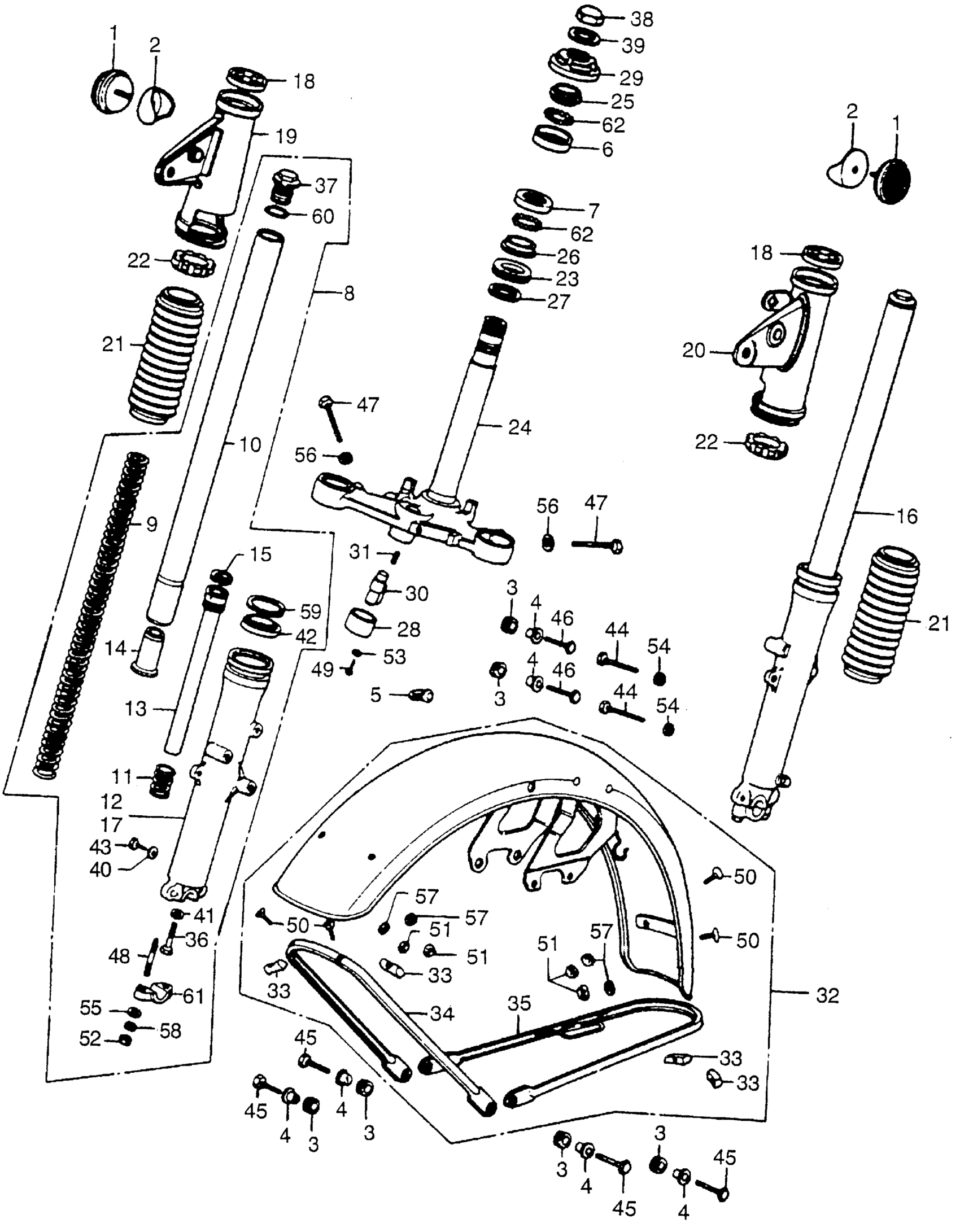
STEERING STEM + FRONT FENDER
Honda CB550A MOTORCYCLE, JPN, VIN# CB550K-1000001 STEERING STEM + FRONT FENDER Diagram
#
Description
Price
2
BASE, FR. REFLEX REFLECTOR
33743-341-670
Unavailable
8
FORK ASSY., R. FR. This part replaces 51400-374-003.
51400-374-013
Unavailable
8
FORK ASSY., R. FR.
51400-374-013
Unavailable
9
SPRING, FR. FORK (NOT AVAILABLE)
51401-374-003
Unavailable
10
PIPE, FR. FORK (NOT AVAILABLE)
51410-374-003
Unavailable
12
CASE, R. FORK (LOWER)
51421-341-701
Unavailable
13
PIPE (LOWER) (NOT AVAILABLE)
51430-374-003
Unavailable
14
PIECE, OIL LOCK (NOT AVAILABLE) This part replaces 51432-340-000.
51432-357-000
Unavailable
14
PIECE, OIL LOCK (NOT AVAILABLE)
51432-357-000
Unavailable
16
FORK ASSY., L. FR.
51500-374-013
Unavailable
17
CASE, L. FR. FORK (LOWER) (NOT AVAILABLE)
51521-341-701
Unavailable
18
RUBBER, FR. FORK COVER (UPPER) (NOT AVAILABLE)
51601-323-000
Unavailable
19
COVER, R. FR. FORK (UPPER) (NOT AVAILABLE)
51602-374-000
Unavailable
20
COVER, L. FR. FORK (UPPER) (NOT AVAILABLE)
51606-374-000
Unavailable
22
RUBBER B, FR. FORK COVER
51622-323-000
Unavailable
24
STEM, STEERING *NH1* (BLACK) (NOT AVAILABLE)
53200-323-020B
Unavailable
28
COVER, HANDLEBAR LOCK CASE (NOT AVAILABLE)
53215-317-000
Unavailable
29
THREAD, STEERING HEAD (UPPER)
53220-286-000
Unavailable
30
LOCK, HANDLEBAR
35010-230-010
Unavailable
30
LOCK, HANDLEBAR This part replaces 53600-230-000.
35010-230-010
Unavailable
31
SPRING, HANDLEBAR LOCK (NOT AVAILABLE)
53631-268-020
Unavailable
32
FENDER, FR. *MRCR2* (CHROME PLATING)
61100-341-700XW
Unavailable
34
STAY A, FR. FENDER (NOT AVAILABLE)
61111-341-700
Unavailable
35
STAY B, FR. FENDER
61112-341-700
Unavailable
47
BOLT, HEX. (10X35) This part replaces 92000-10035-0A.
92101-10035-0A
Unavailable
59
CIRCLIP (INNER) (48MM) (NOT AVAILABLE)
94521-48000
Unavailable
