CB500K1A MOTORCYCLE, JPN, VIN# CB500-2000001
REAR FENDER
FRAME
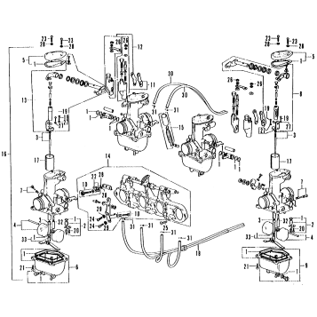
CARBURETOR
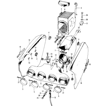
AIR CLEANER + SIDE COVER
ALTERNATOR
CAM CHAIN + TENSIONER
CLUTCH
TRANSMISSION
CRANKCASE
CRANKSHAFT
FRONT SHOCK ABSORBER
FRONT WHEEL
HEADLIGHT
MUFFLER
REAR SHOCK ABSORBER
WIRE HARNESS
CYLINDER HEAD COVER
OIL PUMP
TURN SIGNAL
MAIN STAND + STEP
STARTING MOTOR
POINTS + SPARK ADVANCER
LEFT CRANKCASE COVER
FUEL TANK + FUEL VALVE
STEERING STEM + FRONT FENDER
CYLINDER + PISTON
GEARSHIFT FORK + DRUM
HANDLEBAR + TOP BRIDGE
CHAIN CASE + SWINGARM
FRONT BRAKE CALIPER + DISC
FRONT BRAKE HOSE
KICK ARM + CHANGE PEDAL
OIL FILTER + OIL PAN
LEFT HANDLE SWITCH + CABLE
RIGHT HANDLE SWITCH + CABLE
REAR WHEEL + DRIVEN SPROCKET
BATTERY + ELECTRIC PLATE
CB500 SPEEDOMETER + TACHOMETER
CYLINDER HEAD + CAMSHAFT
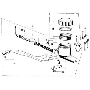
FRONT BRAKE MASTER + CYLINDER
GEARSHIFT SPINDLE
LOWER CASE (BOLT, WASHER)
PRIMARY SHAFT
REAR BRAKE PANEL + BRAKE PEDAL
RIGHT CRANKCASE COVER + KICK SPINDLE
TOOL 1
UPPER CASE (BOLT)
VALVE + ROCKER ARM
SEAT K1-K2
SPEEDOMETER + TACHOMETER K1
TAILLIGHT K1-K2
TOOL 2
Fuel Your Passion
Parts That Keep You Riding
Edit ride