- Partiron
- OEM Parts
- Honda
- MOTORCYCLE
- Models With No Year
- CB500K1A MOTORCYCLE, JPN, VIN# CB500-2000001
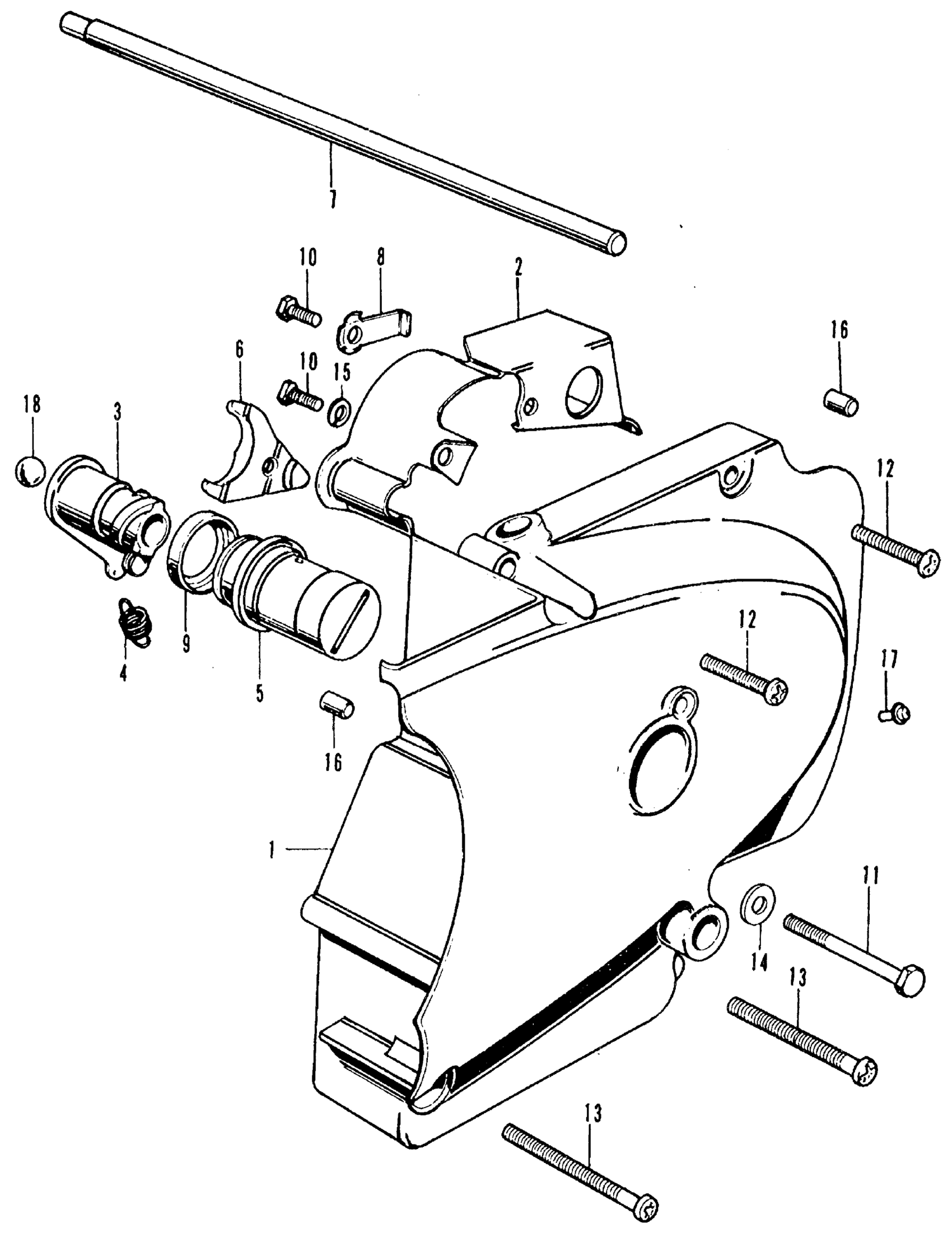
LEFT CRANKCASE COVER
Honda CB500K1A MOTORCYCLE, JPN, VIN# CB500-2000001 LEFT CRANKCASE COVER Diagram
#
Description
Price
1
COVER, L. CRANKCASE (NOT AVAILABLE)
11341-323-000
Unavailable
2
PROTECTOR, CASE (NOT AVAILABLE)
11353-363-000
Unavailable
3
THREAD, CLUTCH LIFTER (NOT AVAILABLE)
22810-323-000
Unavailable
4
SPRING, CLUTCH LEVER (NOT AVAILABLE)
22815-283-000
Unavailable
5
ADJUSTER, CLUTCH
22841-266-000
Unavailable
6
PIECE, ADJUSTER FIXING (NOT AVAILABLE)
22844-323-000
Unavailable
7
ROD, CLUTCH LIFTER (NOT AVAILABLE)
22850-323-000
Unavailable
8
WASHER, TONGUED (6MM) (NOT AVAILABLE)
90532-323-000
Unavailable
9
OIL SEAL (22X26X29X8) This part replaces 91205-200-000.
91205-200-005
Unavailable
9
OIL SEAL (22X26X29X8)
91205-200-005
Unavailable
