- Partiron
- OEM Parts
- Honda
- MOTORCYCLE
- Models With No Year
- CB350F1A MOTORCYCLE, JPN, VIN# CB350F-2000001
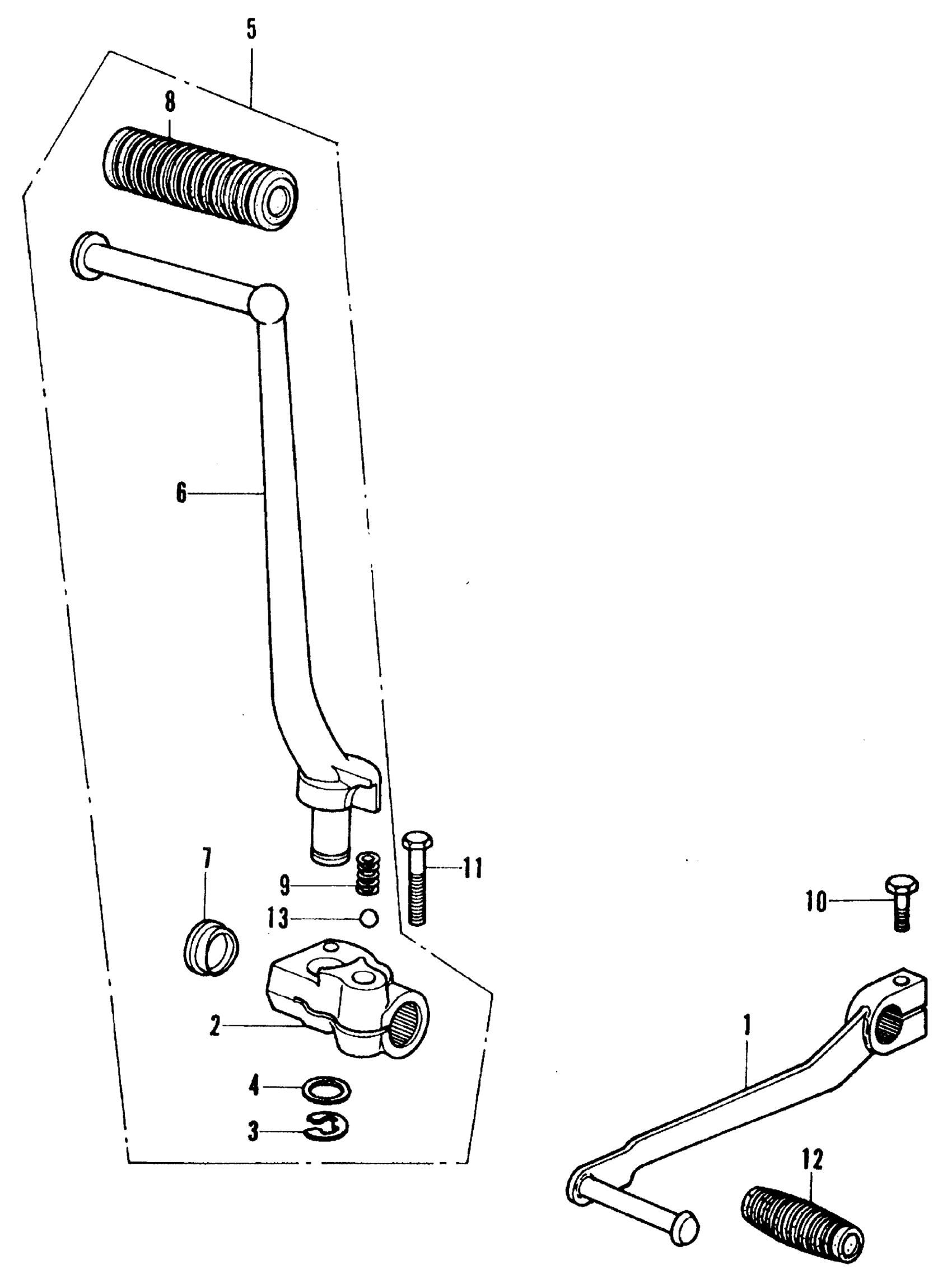
KICK ARM + CHANGE PEDAL
Honda CB350F1A MOTORCYCLE, JPN, VIN# CB350F-2000001 KICK ARM + CHANGE PEDAL Diagram
#
Description
Price
1
PEDAL, GEARSHIFT (NOT AVAILABLE)
24700-333-000
Unavailable
2
JOINT, KICK ARM (NOT AVAILABLE)
28241-333-010
Unavailable
4
WASHER, KICK STARTER ARM (NOT AVAILABLE)
28294-333-000
Unavailable
5
ARM ASSY., KICK STARTER
28300-333-010
Unavailable
6
ARM, KICK STARTER (NOT AVAILABLE)
28301-333-010
Unavailable
7
CAP, KICK ARM (NOT AVAILABLE)
28305-333-010
Unavailable
9
SPRING, KICK STARTER STOPPER (NOT AVAILABLE)
28333-333-000
Unavailable
