Mach Z, 2002
01- Cooling System
01- Crankcase, Reed Valve, Water Pump
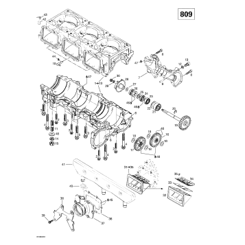
01- Crankshaft And Pistons
01- Cylinder, Exhaust Manifold
01- Engine Support And Muffler
02- Air Intake System
02- Fuel System
02- Fuel System 2
02- Oil Tank
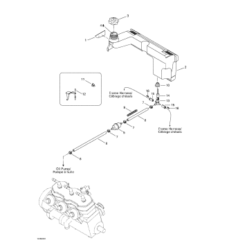
03- Ignition Housing Oil Pump
03- Magneto (12V, 290W)
03- Magneto (12V, 290W) 2
04- Rewind Starter
05- Chaincase
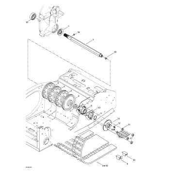
05- Drive Axle And Track
05- Drive Pulley
05- Driven Pulley
06- Hydraulic Brake And Belt Guard
07- Front Suspension And Ski
07- Steering System
08- Front Arm
08- Rear Arm
08- Rear Suspension
09- Bottom Pan
09- Cab, Console
09- Decals
09- Frame And Accessories
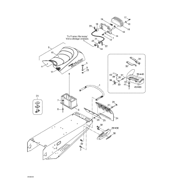
09- Seat And Accessories
10- Electrical System
Fuel Your Passion
Parts That Keep You Riding
Edit ride