Partiron

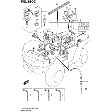
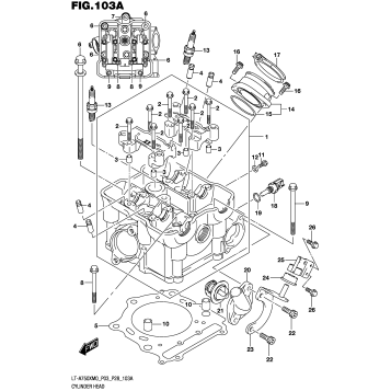
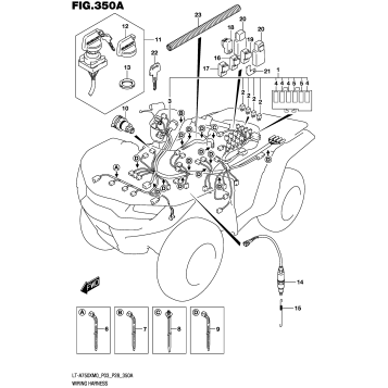
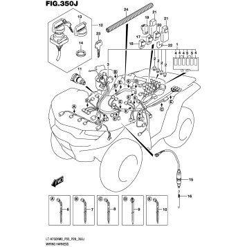
LT-A750XPZC M0 (2020) OEM Parts

Showing 1 to 100 of 232 (3 Pages)

Fuel Your Passion

Parts That Keep You Riding

Shop now
Fuel Your Passion