- Partiron
- OEM Parts
- Suzuki
- All Terrain Vehicle
- 2020
- LT-A750X M0 (2020)
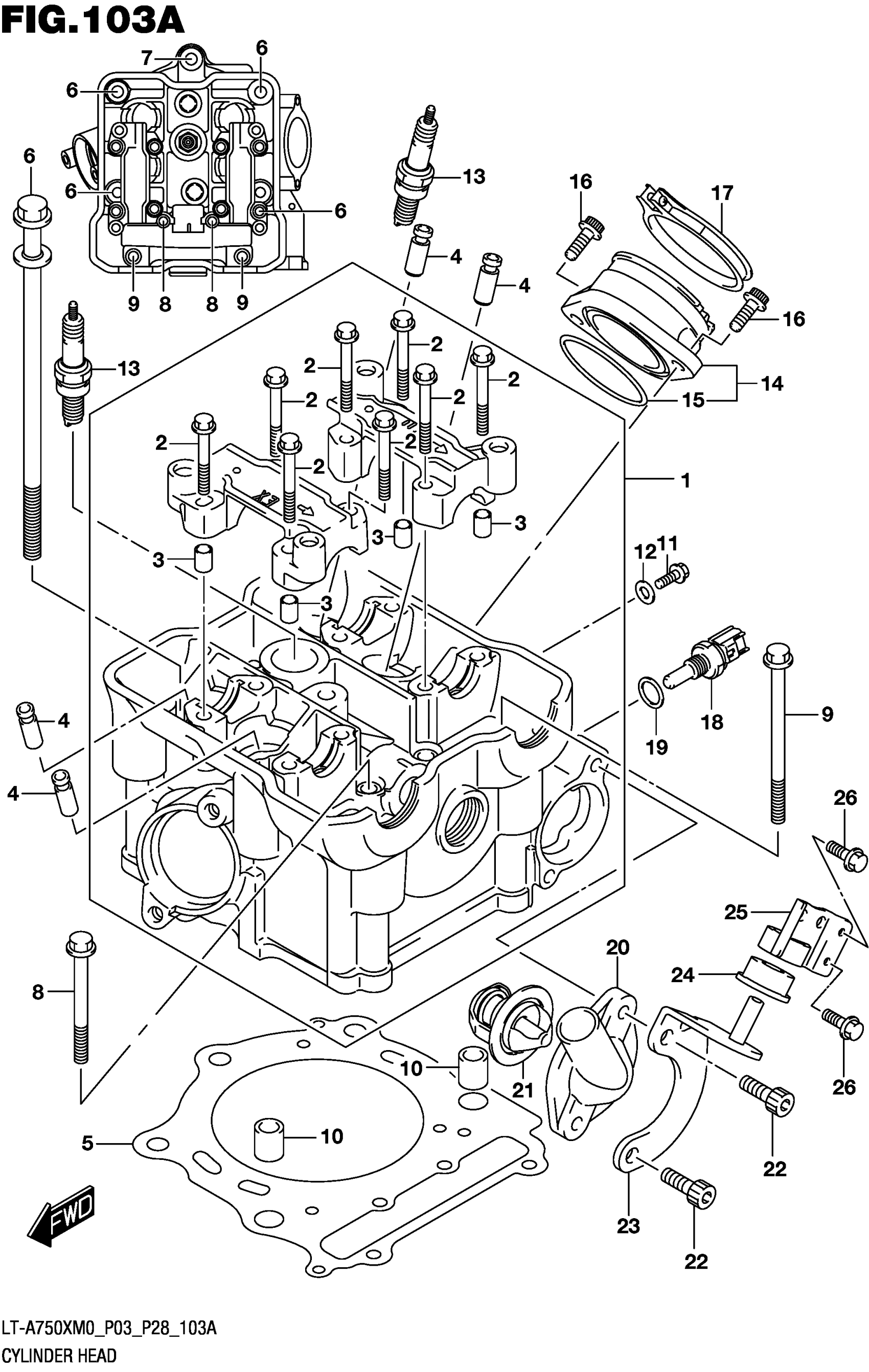
CYLINDER HEAD
Suzuki LT-A750X M0 (2020) CYLINDER HEAD Diagram
#
Description
Price
13-3
SPARK PLUG (LMAR8A-9) | OPT NGK
09482-00625
Unavailable
