LT-80 (1997)
AIR CLEANER
MUFFLER
BRAKE PEDAL
CARBURETOR
CONTROL CABLE
COOLING FAN
CRANKCASE
CRANKCASE LEFT COVER
CYLINDER
ELECTRICAL
FOOTREST
FRAME
FRONT BREAK LEVER
FRONT FENDER
FRONT WHEEL
FUEL TANK
KNUCKLE ARM
LABEL
MAGNETO
OIL PUMP
OIL TANK
REAR FENDER
REAR SHOCK ABSORBER
RECOIL STARTER (OPT)
SEAT
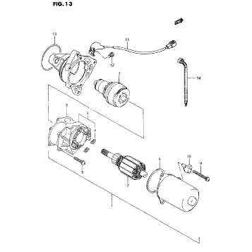
STARTING MOTOR
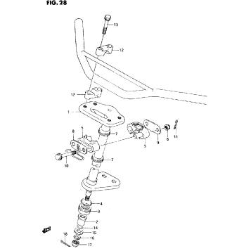
STEERING SHAFT
SUSPENSION ARM
TRANSMISSION
WIRING HARNESS
Fuel Your Passion
Parts That Keep You Riding
Edit ride