GS650GL (1983)
AIR CLEANER
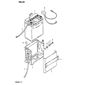
BATTERY
CAM CHAIN
CAM SHAFT-VALVE
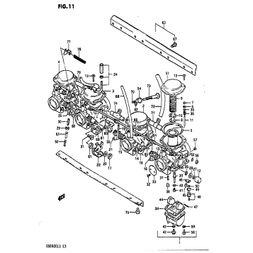
CARBURETOR
CLUTCH
CRANKCASE
CRANKCASE COVER
CRANKSHAFT
CYLINDER
CYLINDER HEAD
CYLINDER HEAD COVER
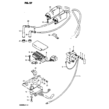
ELECTRICAL
FOOTREST
FRAME
FRAME COVER
FRONT BRAKE HOSE
FRONT CALIPERS
FRONT FORK
FRONT WHEEL
FUEL COCK
FUEL TANK
GEAR SHIFTING
GENERATOR
HANDLEBAR
HEADLAMP
HEADLAMP HOUSING-FRONT FENDER
LEFT HANDLE SWITCH
MASTER CYLINDER
MUFFLER
OIL PUMP-OIL FILTER
OPTIONAL
PROPELLER SHAFT-FINAL DRIVE GEAR
REAR BRAKE
REAR BRAKE HOSE
REAR CALIPERS
REAR COMBINATION LAMP
REAR FENDER
REAR MASTER CYLINDER
REAR SWINGING ARM
REAR WHEEL
RIGHT HANDLE SWITCH
SEAT
SECONDARY DRIVE GEAR
SIGNAL GENERATOR
SPEEDOMETER-TACHOMETER
STAND
STARTER CLUTCH
STARTING MOTOR
STEERING STEM
TRANSMISSION
TURN SIGNAL LAMP
WIRING HARNESS
Fuel Your Passion
Parts That Keep You Riding
Edit ride