- Partiron
- OEM Parts
- Suzuki
- Motorcycle
- 1983
- GS650GL (1983)
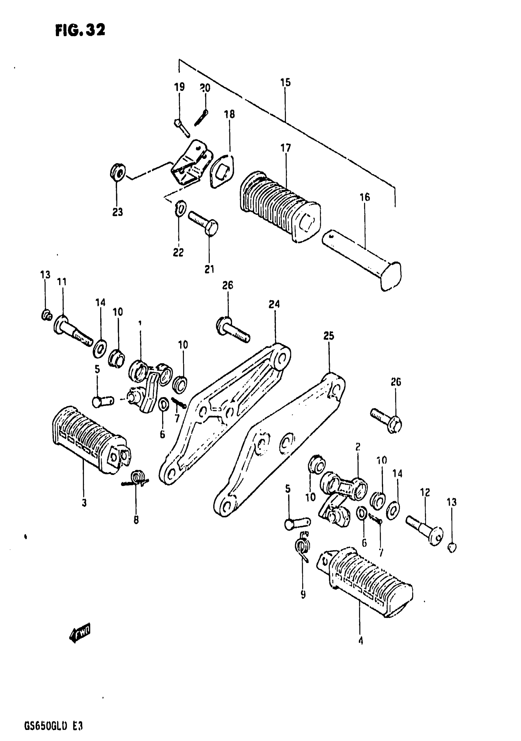
FOOTREST
Suzuki GS650GL (1983) FOOTREST Diagram
#
Description
Price
1
BAR, FOOTREST RH
43510-34211
Unavailable
2
BAR, FOOTREST LH
43520-34211
Unavailable
4
RUBBER FR FOOTR This part replaces 43560-34500.
43560-34501
Unavailable
8
SPRING, RH
09448-19014
Unavailable
9
SPRING, LH
09448-19015
Unavailable
10
BUSHING
09305-14004
Unavailable
11
BOLT, UPPER
09106-10004
Unavailable
12
BOLT, LOWER
09106-10005
Unavailable
15
FOOTREST, PILLION RH
43600-34500
Unavailable
15
FOOTREST, PILLION LH | Includes Item(s) 16 - 20
43700-34500
Unavailable
16
BAR, RH
43610-49201
Unavailable
16
BAR, LH
43620-49201
Unavailable
17
RUBBER
43612-49201
Unavailable
18
WASHER This part replaces 43631-49201.
43631-45001
Unavailable
24
BRACKET, MUFFLER RH
43811-34210
Unavailable
25
BRACKET, MUFFLER LH
43821-34210
Unavailable
