- Partiron
- OEM Parts
- Suzuki
- Motorcycle
- 1983
- GS650GL (1983)
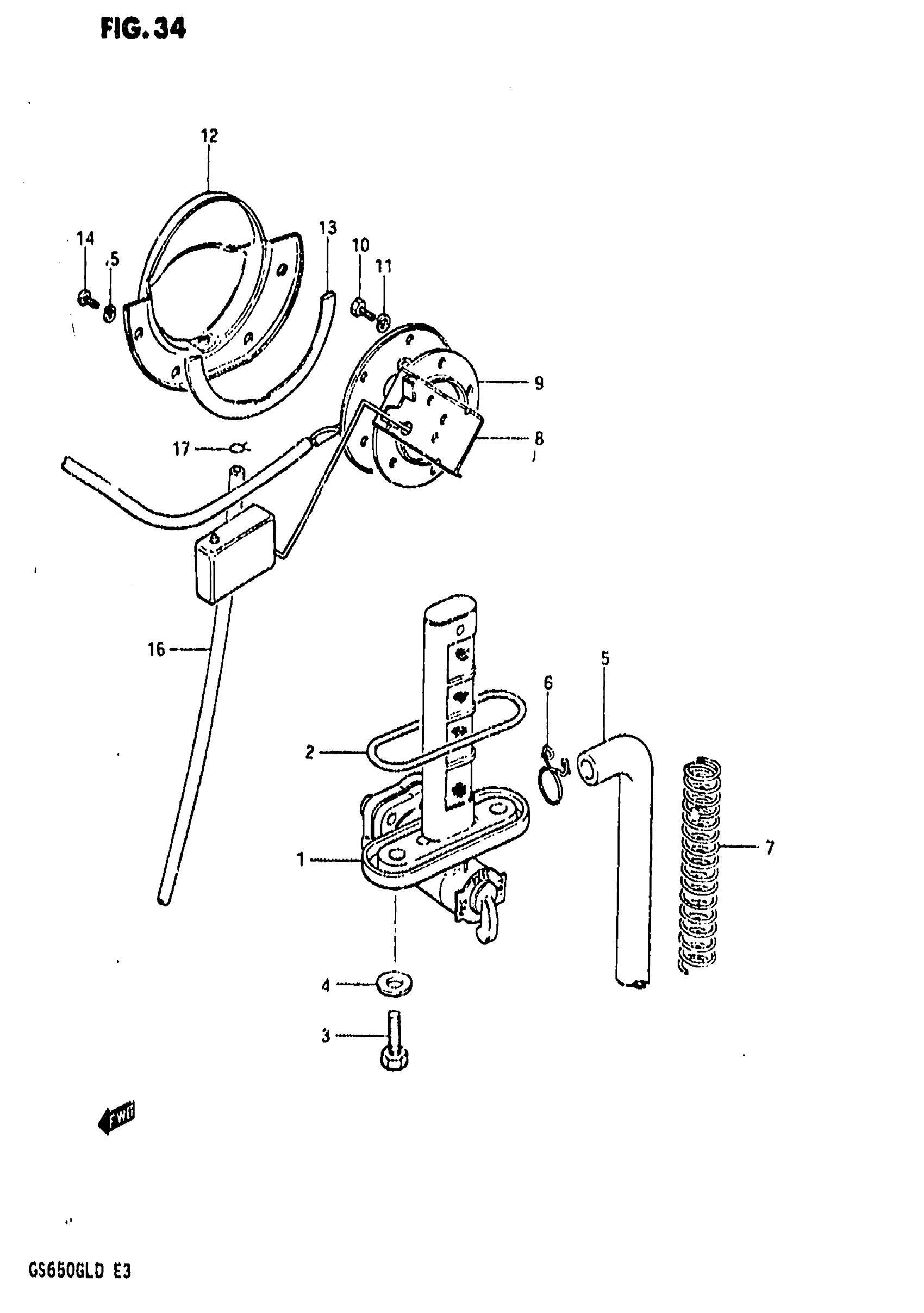
FUEL COCK
Suzuki GS650GL (1983) FUEL COCK Diagram
#
Description
Price
8
GAUGE, FUEL LEVEL | Includes Item(s) 9
34810-34400
Unavailable
12
PLATE
34885-49005
Unavailable
13
GASKET,FUEL DRA This part replaces 34888-34500.
34888-34501
Unavailable
