Expedition Sport V-800, 2008
99- Ski-doo Publications
01- Cooling System
01- Crankcase
01- Crankshaft, Piston And Cylinder
01- Cylinder Head, Front
01- Cylinder Head, Rear
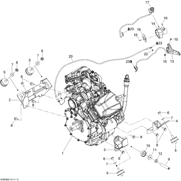
01- Engine And Engine Support
01- Engine Cooling
01- Engine Lubrication
01- Exhaust System
02- Air Intake System
02- Fuel System
02- Intake Manifold And Throttle Body
03- Magneto
05- Drive System 1
05- Drive System 2
05- Pulley System
06- Hydraulic Brakes
07- Front Suspension And Ski
07- Steering
08- Front Arm
08- Rear Arm
08- Rear Suspension
08- Rear Suspension Shocks
09- Bottom Pan
09- Decals
09- Frame
09- Frame and Components
09- Hood
09- Luggage Rack
09- Seat
09- Utilities
10- Battery And Starter
10- Electrical Accessories
10- Electrical Harness
10- Electrical Harness, Hood
10- Engine Harness And Electronic Module
10- Steering Wiring Harness
Fuel Your Passion
Parts That Keep You Riding
Edit ride