Traxter Max Std & Max XT, 2005
01- Cooling System
01- Crankcase
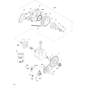
01- Crankshaft, Piston And Cylinder
01- Engine And Engine Support
01- Exhaust System
02- Air Intake Silencer
02- Carburetor
02- Fuel System
03- Ignition And Water Pump
04- Rewind Starter and Electrical Starter
05- Clutch
05- Clutch Housing And Cover
05- Gear Shift
05- Transmission
06- Brakes
07- Drive System, Front
07- Front Suspension
07- Steering System
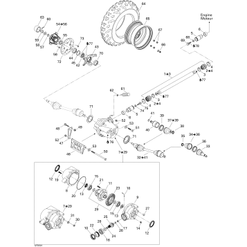
08- Drive System, Rear
08- Rear Suspension
09- Body And Accessories 1
09- Body And Accessories 2
09- Decals
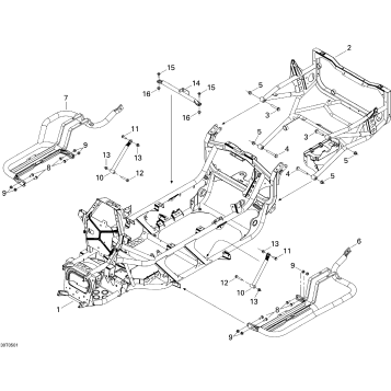
09- Frame
09- Front Storage Compartment
09- Seat
10- Electrical Accessories
10- Electrical Harness, Frame
10- Electrical Harness, Front Section XT
10- Electrical System
Fuel Your Passion
Parts That Keep You Riding
Edit ride