Summit 550 F, 2003
01- Cooling System And Fan
01- Crankcase
01- Crankshaft And Pistons
01- Cylinder, Exhaust Manifold
01- Engine And Engine Support
01- Muffler
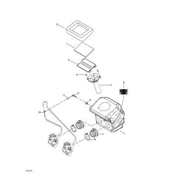
02- Air Intake System
02- Carburetors
02- Fuel System
02- Oil Injection System
02- Oil Tank And Support
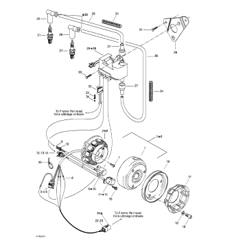
03- Magneto (12V, 340W)
04- Rewind Starter
05- Chaincase
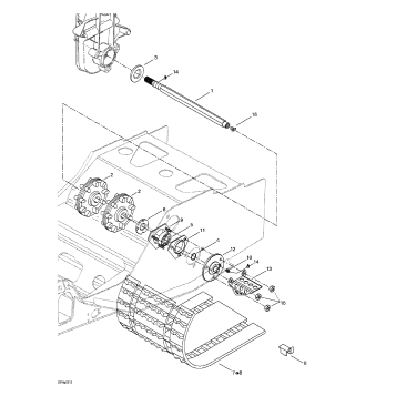
05- Drive Axle And Track
05- Drive Pulley
05- Driven Pulley
06- Hydraulic Brake And Belt Guard
07- Front Suspension And Ski
07- Steering System
08- Front Arm
08- Rear Arm
08- Rear Suspension
09- Bottom Pan
09- Cab, Console
09- Cargo (Europe)
09- Decals
09- Frame And Accessories
09- Rear Bumper, Snow Guard And Moulding
09- Seat
10- Console Harness
10- Frame Harness
10- Hood Harness
Fuel Your Passion
Parts That Keep You Riding
Edit ride