SPORTSMAN MV7 - A05MH68AP
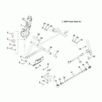
A-ARM MOUNTING and STRUT MOUNTING - A05MH68AP (4999609960C06)
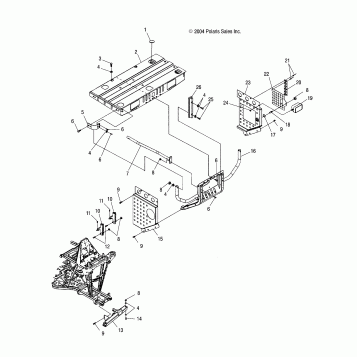
AIR BOX - A05MH68AP (4999609960B05)
BRAKE LINES, FRONT - A05MH68AP (4999609960B07)
BRAKE, FRONT - A05MH68AP (4999609960B09)
CAB, FRONT - A05MH68AP (4999609960A05)
CAB, REAR and SEAT - A05MH68AP (4999609960A03)
CALIPER, REAR - A05MH68AP (4999609960B08)
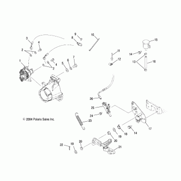
CARBURETOR - A05MH68AP (4999609960D11)
CLUTCH COVER - A05MH68AP (4999609960C11)
CONTROLS - A05MH68AP (4999609960B06)
CONTROLS - THROTTLE ASM./CABLE - A05MH68AP (4999609960B11)
COOLING SYSTEM - A05MH68AP (4999609960B01)
CRANKCASE - A05MH68AP (4999609960D08)
CRANKSHAFT and PISTON - A05MH68AP (4999609960D13)
CYLINDER and CYLINDER HEAD - A05MH68AP (4999609960D09)
DECALS - A05MH68AP (4999609960A10)
DIPSTICK - A05MH68AP (4999609960E01)
DRIVE CLUTCH - A05MH68AP (4994279427C10)
DRIVE SHAFT, FRONT - A05MH68AP (4999609960B12)
DRIVE SHAFT, REAR - A05MH68AP (4999609960B13)
DRIVEN CLUTCH - A05MH68AP (4999609960C10)
ELECTRICAL - A05MH68AP (4999609960C12)
ENGINE MOUNTING - A05MH68AP (4999609960B03)
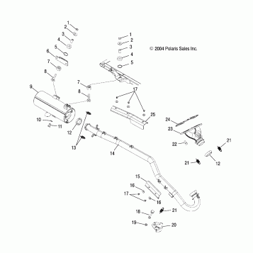
EXHAUST SYSTEM - A05MH68AP (4999609960A14)
FUEL TANK - A05MH68AP (4999609960A12)
FUEL TANK, RESERVE - A05MH68AP (4999609960A13)
GEAR SELECTOR - A05MH68AP (4999609960C08)
GEARCASE - A05MH68AP (4999609960D03)
GEARCASE MOUNTING, REAR - A05MH68AP (4999609960D07)
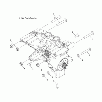
GEARCASE, REAR - A05MH68AP (4999609960D06)
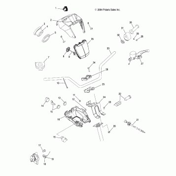
HANDLEBAR and HEADLIGHT POD - A05MH68AP (4999609960C03)
HOUSING, FRONT - A05MH68AP (4999609960D05)
INTAKE and EXHAUST - A05MH68AP (4999609960D14)
MAGNETO and RECOIL - A05MH68AP (4999609960E04)
MASTER CYLINDER, REAR and FOOT PEDAL - A05MH68AP (4999609960B10)
OIL PUMP - A05MH68AP (4999609960E03)
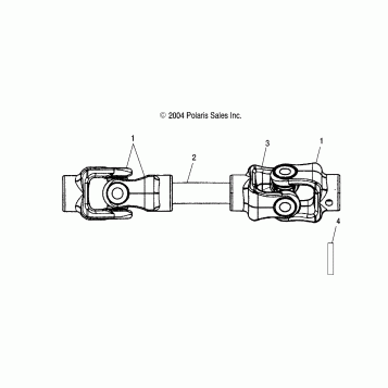
PROP SHAFT, FRONT - A05MH68AP (4999200179920017B10)
PROP SHAFT, REAR - A05MH68AP (4999609960C01)
RACK MOUNTING, FRONT and BUMPER MOUNTING - A05MH68AP (4999609960A07)
RACK MOUNTING, REAR - A05MH68AP (4999609960A06)
ROLLBARS - A05MH68AP (4999609960A09)
STARTING MOTOR - A05MH68AP (4999609960E05)
STEERING POST - A05MH68AP (4999609960C07)
STRUT, FRONT - A05MH68AP (4999609960C02)
SUSPENSION, REAR - A05MH68AP (4999609960C13)
TOOL KIT - A05MH68AP (4999609960E06)
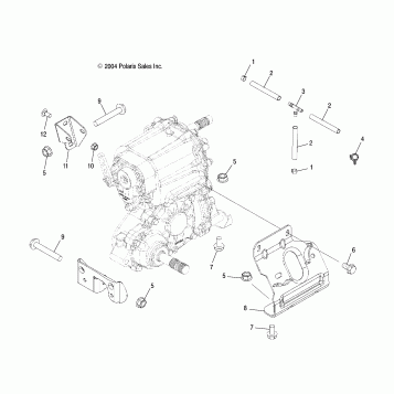
TRANSMISSION MOUNTING - A05MH68AP (4999609960D02)
WATER PUMP - A05MH68AP (4999609960E02)
WHEEL, FRONT - A05MH68AP (4999609960C05)
WHEEL, REAR - A05MH68AP (4999609960D01)
WINCH ASM. - A05MH68AP (4999609960A11)
Fuel Your Passion
Parts That Keep You Riding
Edit ride