Skandic SUV 600, 2003
01- Cooling System
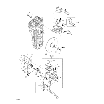
01- Crankcase, Rotary Valve, Water Pump
01- Crankshaft And Pistons
01- Cylinder, Exhaust Manifold
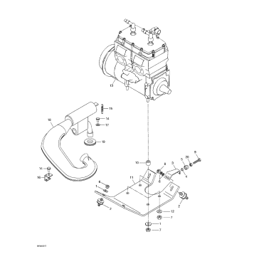
01- Engine Support
02- Air Silencer
02- Carburetors
02- Fuel System
02- Oil Tank And Support
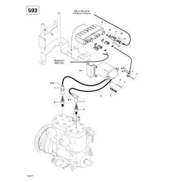
03- Ignition
03- Magneto (12V, 290W)
04- Electric Starter
04- Rewind Starter
05- Drive Axle, Track And Belt Guard
05- Drive Pulley
05- Driven Pulley
05- Transmission
06- Brake
07- Front Suspension And Ski
07- Steering System
08- Rear Suspension
09- Cab, Console, Seat
09- Cab, Console, Seat 2
09- Decals And Accessories
10- Electrical System
Fuel Your Passion
Parts That Keep You Riding
Edit ride