Skandic 550F, 2004
01- Cooling System SKANDIC (550F)
01- Crankcase SKANDIC (550F)
01- Crankshaft, SKANDIC 550F
01- Cylinder, Exhaust Manifold
01- Engine System, SKANDIC 550F
01- Exhaust System, Skandic 550F
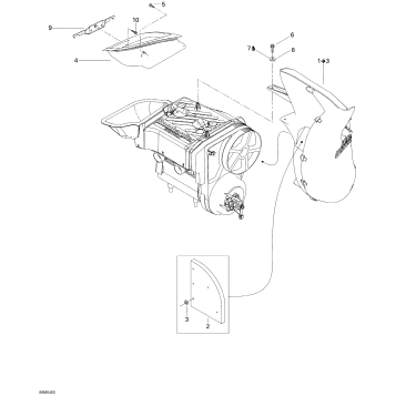
02- Air Intake System SKANDIC 550F
02- Carburetor SKANDIC 550F
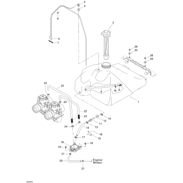
02- Fuel System SKANDIC 550F
02- Oil Injection System SKANDIC 550F
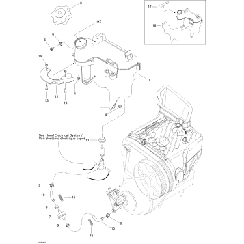
02- Oil Tank SKANDIC 550F
03- Magneto SKANDIC 550F
04- Rewind Starter SKANDIC 550F
05- Drive System SKANDIC 550F
05- Pulley System SKANDIC 550F
06- Hydraulic Brake SKANDIC 550F
07- Front Suspension SKANDIC 550F
07- Steering System SKANDIC 550F
08- Front Arm SKANDIC 550F
08- Rear Arm SKANDIC 550F
08- Rear Suspension SKANDIC 550F
09- Bottom Pan SKANDIC 550F
09- Cab, Console SKANDIC 550F
09- Decals SKANDIC 550F
09- Frame And Accessories SKANDIC 550F
09- Luggage Rack SKANDIC 550F
09- Options SKANDIC 550F
09- Seat SKANDIC 550F
09- Utilities SKANDIC 550F
10- Electrical System 1 (SKANDIC 550F)
10- Electrical System 2 (SKANDIC 550F)
10- Frame Harness SKANDIC 550F
10- Steering Harness SKANDIC 550F
Fuel Your Passion
Parts That Keep You Riding
Edit ride