RM400 (1980)
AIR CLEANER
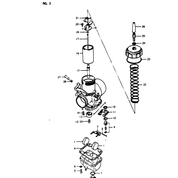
CARBURETOR
CDI UNIT - IGNITION COIL
CHAIN GUIDE
CLUTCH
CRANKCASE
CRANKCASE COVER
CRANKSHAFT
CYLINDER
FRAME - SEAT
FRAME COVER
FRONT FENDER
FRONT FORK
FRONT WHEEL
FUEL COCK
FUEL TANK
GEAR SHIFTING
HANDLE GRIP
HANDLEBAR
KICK STARTER
MAGNETO
MUFFLER
OPTIONAL
OPTIONAL (OFF-ROAD SOUND KIT)
REAR FENDER
REAR SWINGING ARM
REAR WHEEL
STAND - FOOTREST
TRANSMISSION
Fuel Your Passion
Parts That Keep You Riding
Edit ride