- Partiron
- OEM Parts
- Suzuki
- Motorcycle
- 1980
- RM400 (1980)
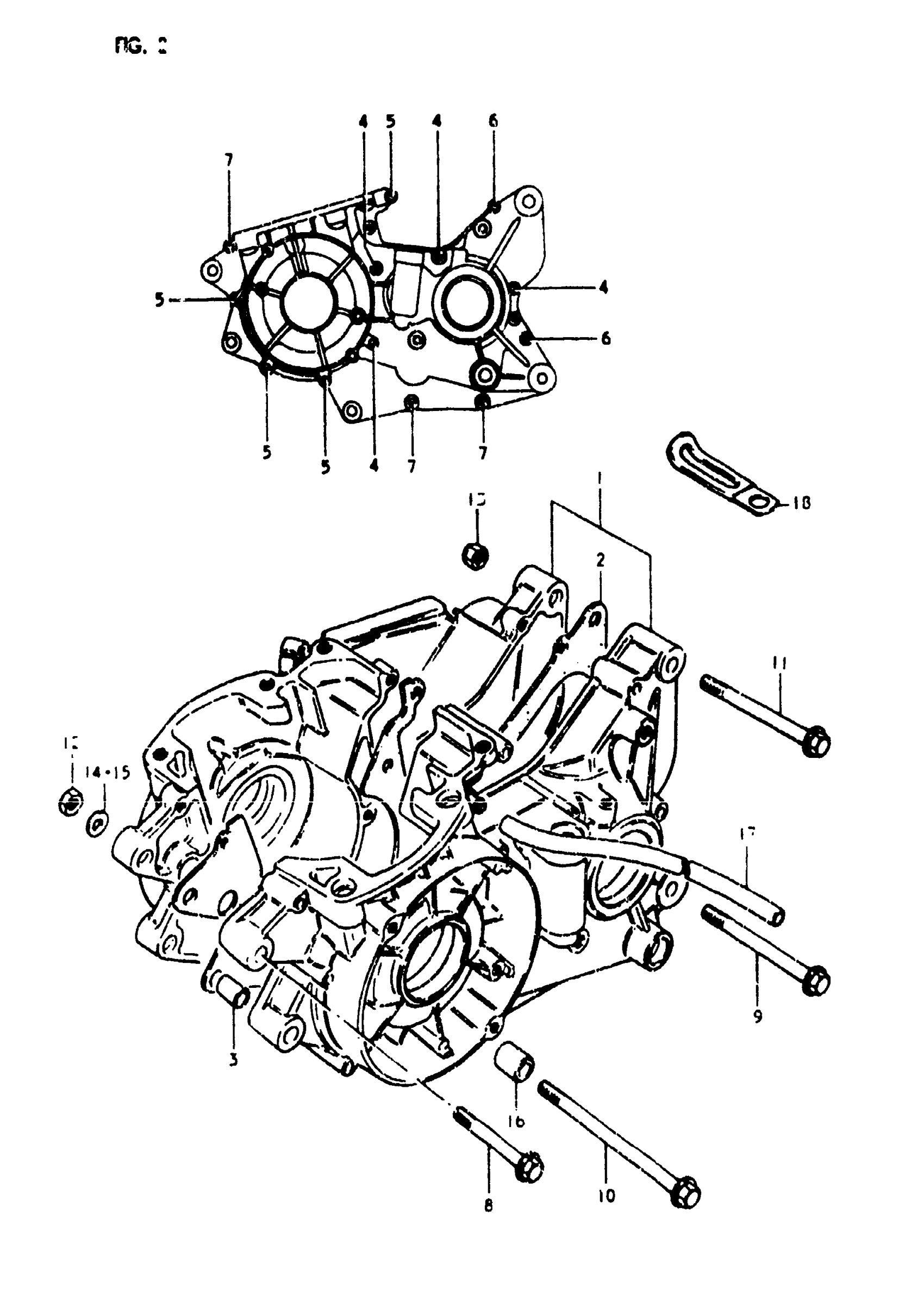
CRANKCASE
Suzuki RM400 (1980) CRANKCASE Diagram
#
Description
Price
1
CRANKCASE SET | Includes Item(s) 2 - 7
11300-40821
Unavailable
2
GASKET
11481-40400
Unavailable
10
BOLT 8X195 This part replaces 09103-08036.
09103-08187
Unavailable
14
WASHER | (0~2)
09169-10011
Unavailable
15
WASHER | (0~2)
09169-10012
Unavailable
