- Partiron
- OEM Parts
- Suzuki
- Motorcycle
- 1980
- RM400 (1980)
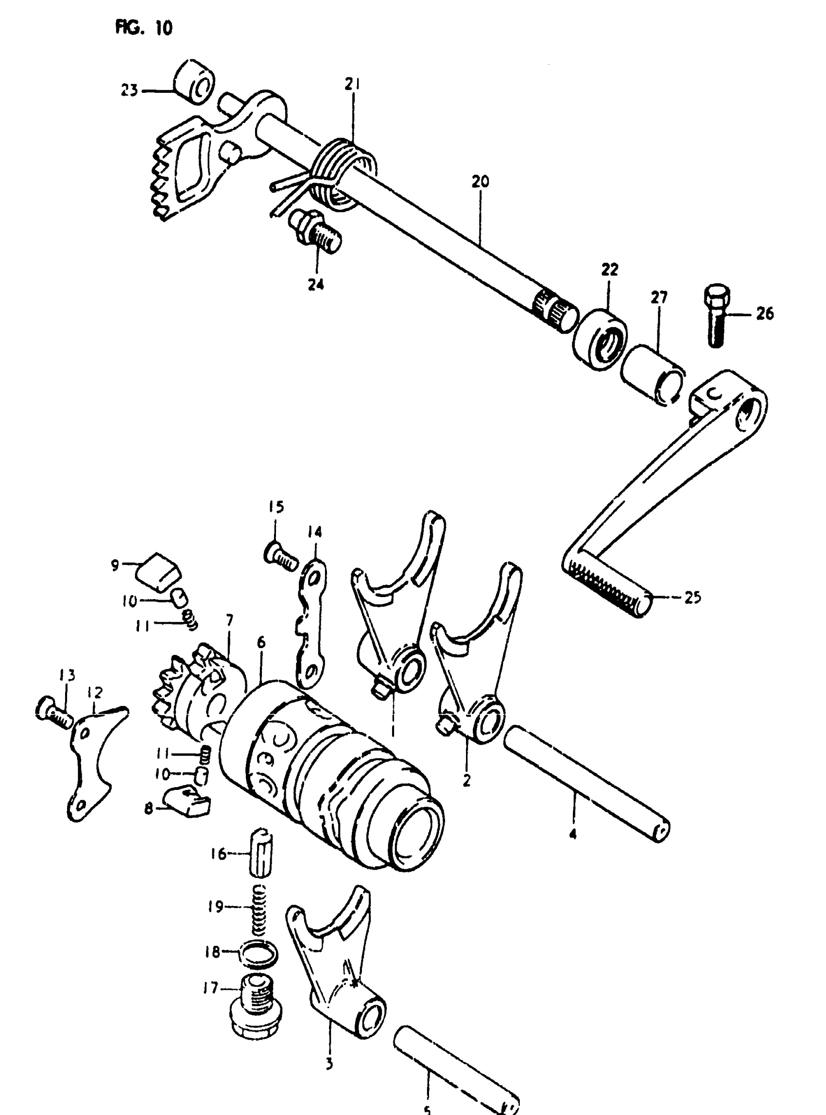
GEAR SHIFTING
Suzuki RM400 (1980) GEAR SHIFTING Diagram
#
Description
Price
1
FORK, GEAR SHIFTING NO.1
25211-40400
Unavailable
2
NO DESCRIPTION AVAILABLE This part replaces 25221-40400.
25221-40X01
Unavailable
3
FORK, GEAR SHIFTING NO.3
25231-40400
Unavailable
6
CAM This part replaces 25310-40400.
25310-14213
Unavailable
12
LIFTER, PAWL
25331-40400
Unavailable
20
NO DESCRIPTION AVAILABLE This part replaces 25510-40400.
25510-404V0
Unavailable
25
LEVER,GEAR SHIF This part replaces 25610-40302.
25600-40304
Unavailable
27
CUSHION
09320-13001
Unavailable
